Каталог запасных частей к технике: ЧСДМ ДЗ-98В (2022). Боковой отвал (ДЗ-98БО.26.00.000-01);Side mouldboard

31
31
31
31
31
31
22
23
23
24
24
25
25
25
25
26
26
27
27
28
28
28
29
29
29
29
29
30
30
30
30
21
32
33
34
35
36
36
37
38
39
11
11
11
11
11
11
2
3
4
5
5
5
6
7
7
7
7
7
8
8
8
8
8
9
9
9
9
9
9
10
10
10
10
10
10
1
12
12
12
12
12
12
13
14
15
16
16
17
17
18
18
19
19
20
20
20
20
20
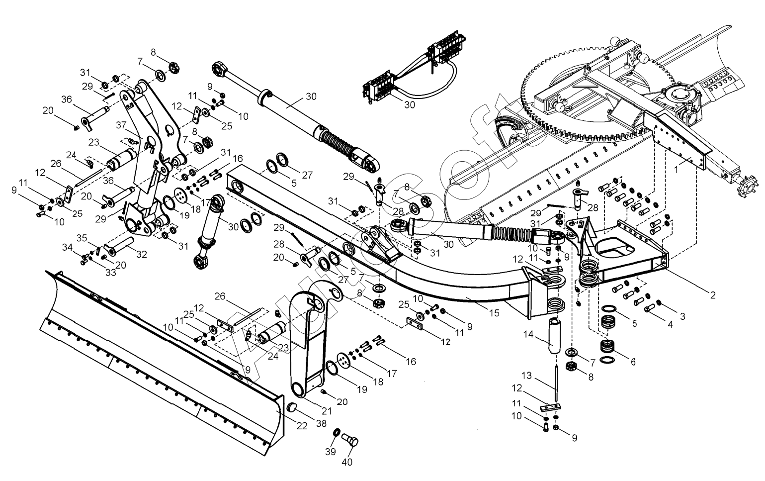
Позиция на иллюстрации | Заводской номер детали | Название детали | |
---|---|---|---|
Болт М6-6gx16.58.019(S10) | Б***) | Болт М6-6gx16.58.019(S10) | |
1 | Д***0 | Доработка тяговой рамы | |
2 | Д***1 | Кронштейн | |
3 | Ш***9 | Шайба 24.65Г.019 | |
4 | Д***2 | Болт | |
5 | П***1 | Шайба | |
6 | Д***6 | Втулка | |
7 | 0***1 | Шайба | |
8 | 0***2 | Гайка | |
9 | Г***) | Гайка М20-6Н.5.019(S30) | |
10 | 0***5 | Болт | |
11 | Ш***9 | Шайба | |
12 | Д***2 | Планка | |
13 | Д***1 | Шпилька | |
14 | Д***1 | Ось | |
15 | Д***1 | Балка | |
16 | Б***) | Болт М16-6gx55.58.019(S24) | |
17 | Ш***9 | Шайба 16.65Г.019 | |
18 | Д***3 | Крышка | |
19 | П***3 | Шайба | |
20 | М***6 | Маслёнка 1.2.Ц6 | |
21 | Д***0 | Коромысло переднее | |
22 | Д***0 | Отвал | |
23 | Д***1 | Ось | |
24 | М***6 | Маслёнка 2.2.45.Ц6 | |
25 | 0***8 | Шайба | |
26 | Д***4 | Шпилька | |
27 | Д***5 | Шайба | |
28 | Д***0 | Ось | |
29 | Ш***9 | Шплинт 8х100.019 | |
30 | Д***0 | Гидросистема бокового отвала | |
31 | 0***2 | Кольцо | |
32 | Д***0 | Ось | |
33 | Ш***9 | Шайба 10.65Г.019 | |
34 | Б***) | Болт М10-6gx25.58.019(S16) | |
35 | Д***7 | Серьга | |
36 | Д***0 | Ось | |
37 | Д***0 | Рычаг телескопический | |
38 | Ф***Е | Сетовозвращатель | |
39 | Ш***9 | Шайба 6.65Г.019 |
Содержащиеся в справочниках-каталогах запасные части и детали не предлагаются к продаже, а носят исключительно информационный характер. В демо-версии артикулы (номера деталей) скрыты. Если вы хотите видеть полные оригинальные номера запчастей, вам необходимо зарегистрироваться на нашем сайте и приобрести подписку по интересующей вас конфигурации, после этого вы сможете встроить онлайн-каталоги на ваш сайт или пользоваться ими из личного кабинета нашего сайта. Обращаем ваше внимание на то, что каталоги содержат информацию об оригинальных заводских номерах и названиях запчастей. База по аналогам в данный момент не реализована. Поиска по VIN-номерам в онлайн-каталоге не предусмотрено. Выбор конкретного каталога осуществляется путем открытия нужного типа техники, марки, модели с учетом года выпуска или модификации.