Каталог запасных частей к технике: ЧСДМ ДЗ-98В (2022). Оборудование рыхлительное (ДЗ-98М1.18.00.000);Ripping equipment

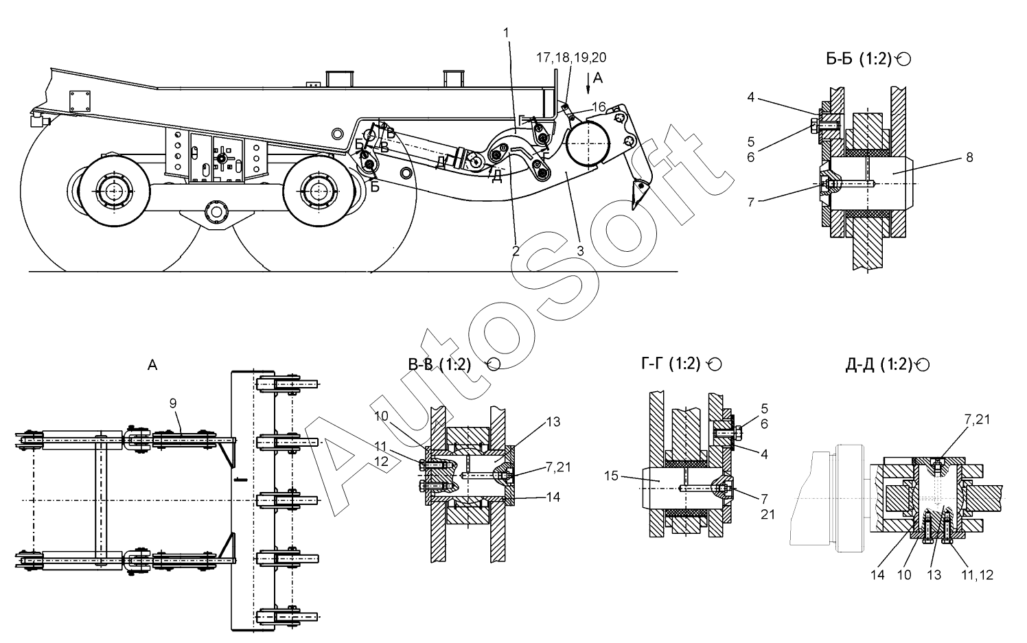
11
11
21
21
21
20
19
18
17
16
15
14
14
13
13
12
12
1
10
10
9
8
7
7
7
7
6
6
5
5
4
4
3
2
Позиция на иллюстрации | Заводской номер детали | Название детали | |
---|---|---|---|
1 | Д***0 | Коромысло | |
2 | Д***0 | Рычаг | |
3 | Д***0 | Рама | |
4 | 0***7 | Шайба | |
5 | Б***) | Болт М12-6gx30.58.019(S18) | |
6 | Ш***9 | Шайба 12.65Г.019 | |
7 | М***6 | Масленка 1.2.Ц6 | |
8 | Д***0 | Ось | |
9 | Д***1 | Рычаг | |
10 | В***2 | Шайба | |
11 | Б***9 | Болт М10-6gx30.58.019 | |
12 | Ш***9 | Шайба 10.65Г.019 | |
13 | Д***2 | Ось | |
14 | Д***1 | Втулка | |
15 | Д***0 | Ось | |
16 | В***2 | Тяга | |
17 | Г***) | Гайка М20-6Н.5.019 (S30) | |
18 | Ш***9 | Шайба | |
19 | Б***) | Болт М20-6gх55.019(S30) | |
20 | Ш***9 | Шайба C20.02.019 | |
21 | 2***2 | Колпачок пресс-масленки |
Содержащиеся в справочниках-каталогах запасные части и детали не предлагаются к продаже, а носят исключительно информационный характер. В демо-версии артикулы (номера деталей) скрыты. Если вы хотите видеть полные оригинальные номера запчастей, вам необходимо зарегистрироваться на нашем сайте и приобрести подписку по интересующей вас конфигурации, после этого вы сможете встроить онлайн-каталоги на ваш сайт или пользоваться ими из личного кабинета нашего сайта. Обращаем ваше внимание на то, что каталоги содержат информацию об оригинальных заводских номерах и названиях запчастей. База по аналогам в данный момент не реализована. Поиска по VIN-номерам в онлайн-каталоге не предусмотрено. Выбор конкретного каталога осуществляется путем открытия нужного типа техники, марки, модели с учетом года выпуска или модификации.