Каталог запасных частей к технике: ЧСДМ ДЗ-98В (2022). Капот (ДЗ-98М.52.07.000);Hood

33
23
24
25
26
27
28
29
29
30
30
31
32
22
34
35
36
37
38
39
40
40
41
41
12
12
2
2
2
2
3
3
3
3
4
5
6
7
8
9
9
10
11
1
1
13
14
15
16
17
18
19
20
21
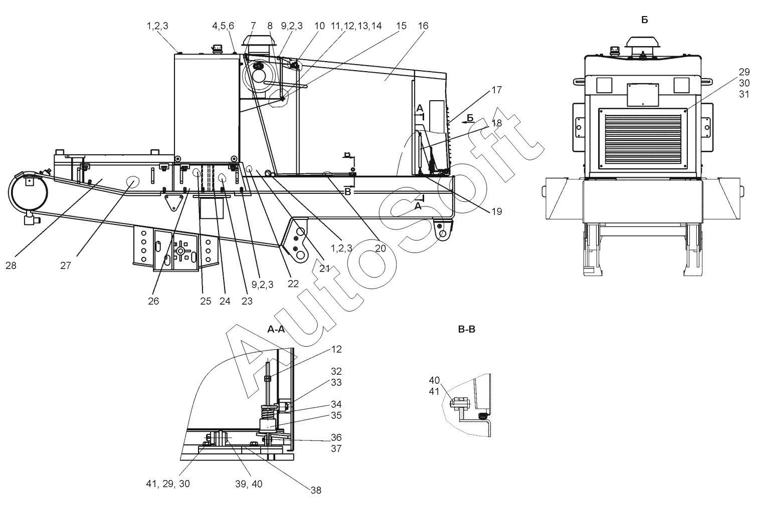
Позиция на иллюстрации | Заводской номер детали | Название детали | |
---|---|---|---|
1 | Д***1 | Шайба | |
2 | Б***) | Болт М8-6gх20.58.019(S17) | |
3 | Ш***9 | Шайба 8.65Г.019 | |
4 | 0***8 | Шайба | |
5 | Б***) | Болт М16-6gх35.58.019(S24) | |
6 | Ш***9 | Шайба 16.65Г.019 | |
7 | Д***0 | Крыша | |
8 | Д***0 | Кронштейн | |
9 | Д***1 | Шайба специальная | |
10 | Д***0 | Установка замка | |
11 | Б***) | Болт М10-6gх35.58.019(S17) | |
12 | Г***) | Гайка М10-6Н.5.019(S17) | |
13 | Ш***9 | Шайба 10.65Г.019 | |
14 | Ш***9 | Шайба С10.02.019 | |
15 | Д***3 | Прокладка | |
16 | Д***0 | Капот | |
17 | В***5 | Решетка | |
18 | 2***5 | Газовый упор | |
19 | Д***0 | Кронштейн | |
20 | Д***0 | Опора | |
21 | Д***1 | Боковина | |
22 | Д***0 | Боковина | |
23 | Д***0 | Щиток правый | |
24 | Д***0 | Щиток левый | |
25 | Д***0 | Щиток правый | |
26 | Д***0 | Щиток левый | |
27 | Д***0 | Щиток правый | |
28 | Д***0 | Щиток левый | |
29 | Б***) | Болт М12-6gх25.58.019(S19) | |
30 | Ш***9 | Шайба 12.65Г.019 | |
31 | Ш***9 | Шайба С12.02.019 | |
32 | В***0 | Отбойник | |
33 | Ш***9 | Шплинт 4х36.019 | |
34 | 0***5 | Пружина | |
35 | В***0 | Патрон пружины | |
36 | 0***8 | Палец | |
37 | Ш***9 | Шплинт 2х20.019 | |
38 | Д***1 | Кронштейн | |
39 | В***6 | Ось | |
40 | Ш***9 | Шплинт 5х40.019 | |
41 | Д***2 | Шайба | |
42 | 0***4 | Ось | |
43 | Ш***9 | Шплинт 3.2х20.019 |
Содержащиеся в справочниках-каталогах запасные части и детали не предлагаются к продаже, а носят исключительно информационный характер. В демо-версии артикулы (номера деталей) скрыты. Если вы хотите видеть полные оригинальные номера запчастей, вам необходимо зарегистрироваться на нашем сайте и приобрести подписку по интересующей вас конфигурации, после этого вы сможете встроить онлайн-каталоги на ваш сайт или пользоваться ими из личного кабинета нашего сайта. Обращаем ваше внимание на то, что каталоги содержат информацию об оригинальных заводских номерах и названиях запчастей. База по аналогам в данный момент не реализована. Поиска по VIN-номерам в онлайн-каталоге не предусмотрено. Выбор конкретного каталога осуществляется путем открытия нужного типа техники, марки, модели с учетом года выпуска или модификации.