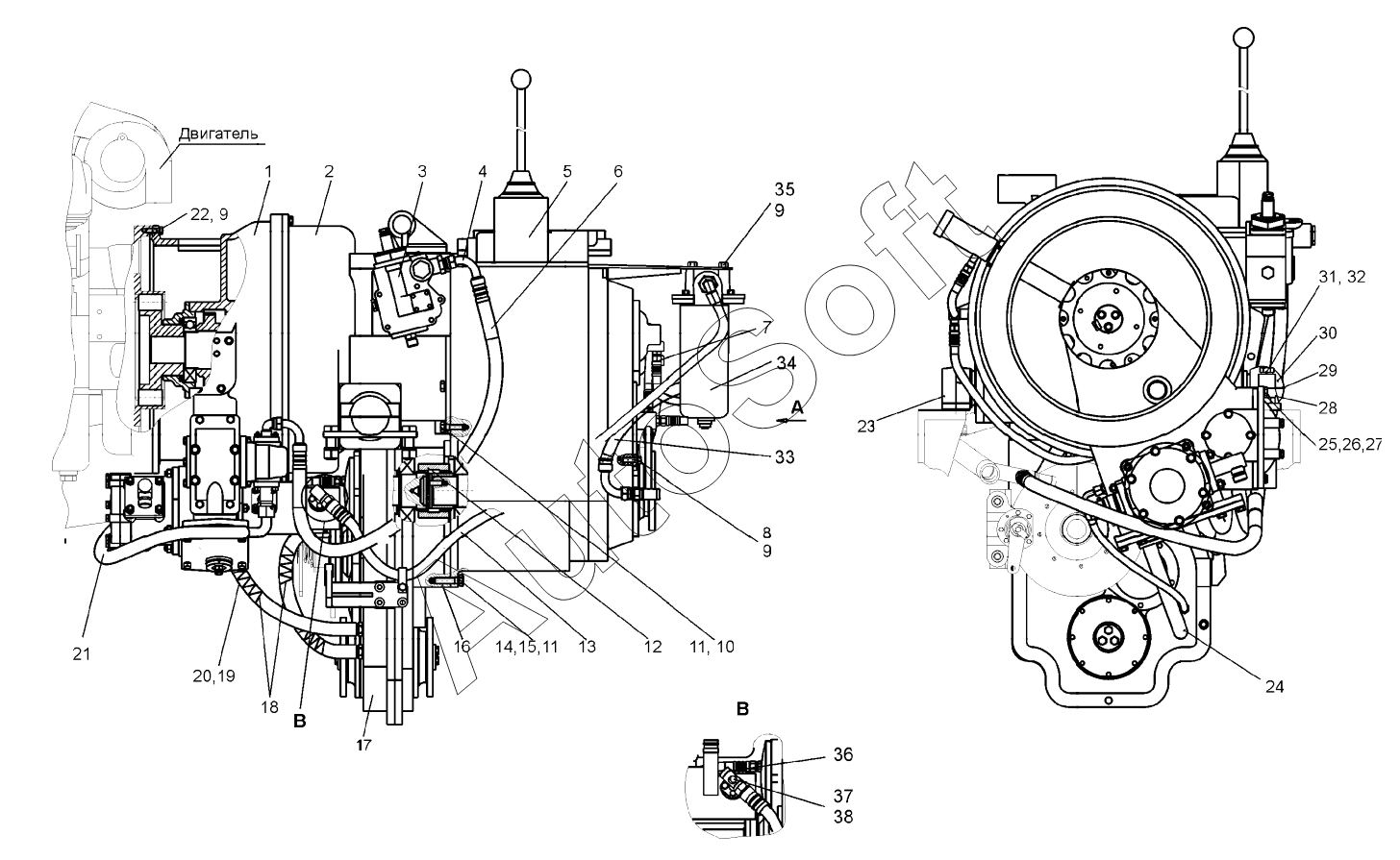
Каталог запасных частей к технике: ЧСДМ ДЗ-98В (2022). Трансмиссия (ДЗ-98В. 10.00.000, ДЗ-98В. 10.00.000-01);Transmission

30
21
22
23
24
25
26
27
28
29
20
31
32
33
34
35
36
37
38
11
11
2
3
4
5
6
7
8
9
9
9
10
1
12
13
14
15
16
17
18
19
Позиция на иллюстрации | Заводской номер детали | Название детали | |
---|---|---|---|
1 | Д***0 | Редуктор промежуточный | |
2 | Д***1 | Муфта сцепления | |
3 | Д***0 | Установка сервомеханизма | |
4 | Д***0 | Труба | |
5 | Д***0 | Коробка передач | |
6 | Р***1 | Рукав | |
7 | Д***8 | Ниппель концевой | |
8 | Б***9 | Болт М12-6gx35.56.019 | |
9 | Ш***9 | Шайба 12.65Г.019 | |
10 | Б***9 | Болт М16-6gx50.56.019 | |
11 | Ш***9 | Шайба 16.65Г.019 | |
12 | Д***1 | Муфта | |
13 | Р***в | Рукав | |
14 | Б***9 | Болт М16-6gx65.56.019 | |
15 | Г***) | Гайка М16-6Н.5.019(S24) | |
16 | Д***2 | Прокладка | |
17 | Д***2 | Редуктор раздаточный | |
18 | 0***6 | Пружина | |
19 | Д***2 | Рукав | |
20 | Х***6 | Хомут 1Л 25-40-6 | |
21 | Р***1 | Рукав РВД 19- 85-1100-0,24-11/11.900.М33х2/М33х2-У1 | |
22 | Д***3 | Болт | |
23 | Д***4 | Опора | |
24 | Д***4 | Рукав | |
25 | Б***9 | Болт М24-6gx75.56.019 | |
26 | Г***) | Гайка М24-6Н.5.019(S36) | |
27 | Ш***9 | Шайба 24.65Г.019 | |
28 | Д***3 | Корпус опоры | |
29 | Д***6 | Прокладка | |
30 | Д***5 | Крышка опоры | |
31 | Б***9 | Болт М20-6gx65.56.019 | |
32 | Ш***9 | Шайба | |
33 | Р***1 | РВД12.7-110-800-0.18-11.90/68-М27х1.5/М22х1.5-У1 | |
34 | Ф***Т | Фильтр линейный | |
35 | Б***9 | Болт М12-6gх25.58.019 | |
36 | 6***3 | Датчик аварийного давления | |
37 | U***2 | Уплотнение | |
38 | Т***0 | Датчик-сигнализатор температуры |
Содержащиеся в справочниках-каталогах запасные части и детали не предлагаются к продаже, а носят исключительно информационный характер. В демо-версии артикулы (номера деталей) скрыты. Если вы хотите видеть полные оригинальные номера запчастей, вам необходимо зарегистрироваться на нашем сайте и приобрести подписку по интересующей вас конфигурации, после этого вы сможете встроить онлайн-каталоги на ваш сайт или пользоваться ими из личного кабинета нашего сайта. Обращаем ваше внимание на то, что каталоги содержат информацию об оригинальных заводских номерах и названиях запчастей. База по аналогам в данный момент не реализована. Поиска по VIN-номерам в онлайн-каталоге не предусмотрено. Выбор конкретного каталога осуществляется путем открытия нужного типа техники, марки, модели с учетом года выпуска или модификации.