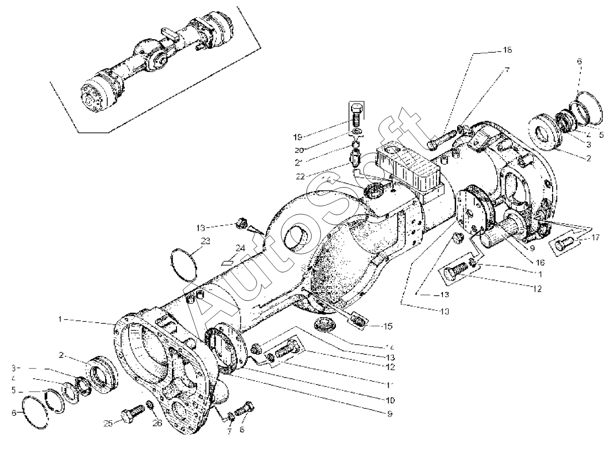
Каталог запасных частей к технике: ЧСДМ ДЗ-98В (2022). Мост задний ведущий (ДЗ-98В1.62.00.000, ДЗ-98В1.62.00.000-01);Rear driving axle

13
13
13
26
25
24
23
22
21
20
19
18
17
16
15
1
12
12
11
10
9
9
7
7
6
6
6
5
5
4
4
3
3
2
2
1
Позиция на иллюстрации | Заводской номер детали | Название детали | |
---|---|---|---|
1 | Д***0 | Траверса | |
1 | Д***1 | Траверса | |
2 | Д***2 | Корпус сальника | |
3 | М***1 | Манжета 2.2-50х70-1 | |
4 | Д***5 | Шайба | |
5 | К***0 | Кольцо С80 | |
6 | К***2 | Кольцо 135-140-3-2-2 | |
7 | Ш***9 | Шайба 16.65Г.019 | |
8 | Б***) | Болт М16-6gх50.88. 35х019(S24) | |
9 | Д***3 | Прокладка | |
10 | Д***3 | Крышка | |
11 | Ш***9 | Шайба 12.65Г.019 | |
12 | Б***) | Болт М12-6gх25.58.019(S18) | |
13 | Д***0 | Пробка коническая | |
14 | 3***5 | Пробка магнитная | |
15 | Д***1 | Винт | |
16 | Д***7 | Опора шаровая | |
17 | Д***7 | Палец установочный | |
18 | 0***6 | Болт | |
19 | Б***) | Болт М8-6gх20.58.019 (S13) | |
20 | Ш***9 | Шайба 8.65Г.019 | |
21 | Д***8 | Скоба | |
22 | Д***4 | Корпус | |
23 | Д***7 | Прокладка | |
24 | Д***3 | Планка | |
25 | Д***3 | Болт | |
26 | 3***Б | Гайка колеса |
Содержащиеся в справочниках-каталогах запасные части и детали не предлагаются к продаже, а носят исключительно информационный характер. В демо-версии артикулы (номера деталей) скрыты. Если вы хотите видеть полные оригинальные номера запчастей, вам необходимо зарегистрироваться на нашем сайте и приобрести подписку по интересующей вас конфигурации, после этого вы сможете встроить онлайн-каталоги на ваш сайт или пользоваться ими из личного кабинета нашего сайта. Обращаем ваше внимание на то, что каталоги содержат информацию об оригинальных заводских номерах и названиях запчастей. База по аналогам в данный момент не реализована. Поиска по VIN-номерам в онлайн-каталоге не предусмотрено. Выбор конкретного каталога осуществляется путем открытия нужного типа техники, марки, модели с учетом года выпуска или модификации.