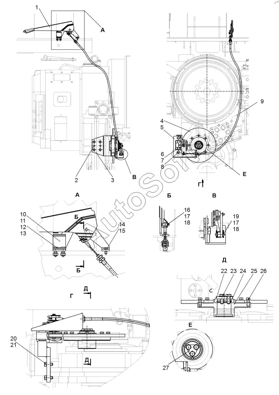
Каталог запасных частей к технике: ЧСДМ ДЗ-98В (2022). Управление стояночным тормозом (ДЗ-98М2.13.04.300);Parking brake control

14
27
26
25
24
23
22
21
20
19
18
18
17
17
16
15
1
13
12
11
10
9
8
7
6
5
4
3
2
Позиция на иллюстрации | Заводской номер детали | Название детали | |
---|---|---|---|
1 | 2***5 | Рычаг стояночного тормоза | |
2 | 0***3 | Штифт | |
3 | Д***0 | Кронштейн | |
4 | Д***5 | Диск | |
5 | Д***0 | Кронштейн | |
6 | Д***0 | Тормоз стояночный | |
7 | Б***9 | Болт М16-6gх75.58.019 | |
8 | Ш***9 | Шайба 16 65Г 019 | |
9 | 3***8 | Трос привода стояночного тормоза | |
10 | Д***1 | Кронштейн | |
11 | Б***9 | Болт М10-6gх30.58.019 | |
12 | Г***9 | Гайка М10-6H.5.019 | |
13 | Ш***9 | Шайба 10 65Г 019 | |
14 | Б***9 | Болт М8-6gх25.58.019 | |
15 | Ш***9 | Шайба 8 65Г 019 | |
16 | Д***2 | Палец | |
17 | Ш***9 | Шайба С.10.02.019 | |
18 | Ш***9 | Шплинт 3.2х20.019 | |
19 | Д***3 | Палец | |
20 | Б***9 | Болт М12-6gх30.58.019 | |
21 | Ш***9 | Шайба 12 65Г 019 | |
22 | Д***6 | Шайба | |
23 | Б***9 | Болт М12-6gх30.88.019 | |
24 | К***2 | Кольцо 052-058-36-2-2 | |
25 | Д***0 | Диск | |
26 | А***2 | Болт | |
27 | Д***3 | Шайба стопорная |
Содержащиеся в справочниках-каталогах запасные части и детали не предлагаются к продаже, а носят исключительно информационный характер. В демо-версии артикулы (номера деталей) скрыты. Если вы хотите видеть полные оригинальные номера запчастей, вам необходимо зарегистрироваться на нашем сайте и приобрести подписку по интересующей вас конфигурации, после этого вы сможете встроить онлайн-каталоги на ваш сайт или пользоваться ими из личного кабинета нашего сайта. Обращаем ваше внимание на то, что каталоги содержат информацию об оригинальных заводских номерах и названиях запчастей. База по аналогам в данный момент не реализована. Поиска по VIN-номерам в онлайн-каталоге не предусмотрено. Выбор конкретного каталога осуществляется путем открытия нужного типа техники, марки, модели с учетом года выпуска или модификации.