Каталог запасных частей к технике: ЧСДМ ДЗ-250 (ГМП) (2024). Электрооборудование автогрейдера (25001.41.00.000)

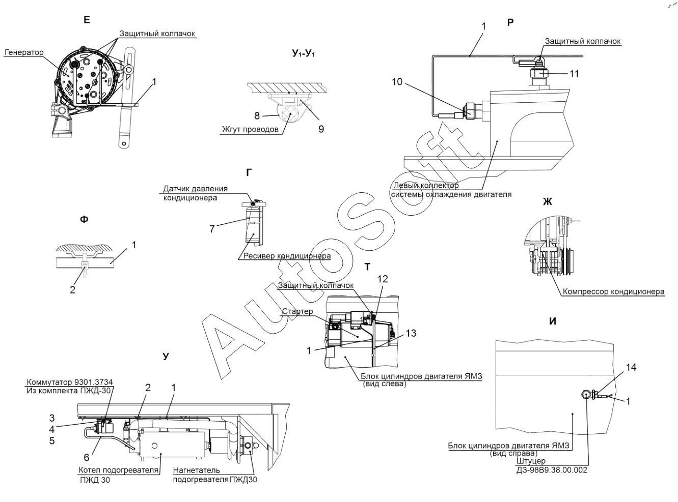
1
1
1
1
1
1
2
2
3
4
5
6
7
8
9
10
11
12
13
14
Позиция на иллюстрации | Заводской номер детали | Название детали | |
---|---|---|---|
1 | 2***0 | Жгут | |
2 | К***0 | Кабельная стяжка усиленная КСУ 9x350 | |
3 | Б***9 | Болт М6-6gх25.58.019 | |
4 | Ш***9 | Шайба 6 65Г 019 | |
5 | Ш***9 | Шайба C.6.02.019 | |
6 | Д***0 | Провод | |
7 | Д***0 | Жгут | |
8 | К***0 | Кабельная стяжка стандартная КСС 5х350 | |
9 | 2***2 | Монтажные опоры | |
10 | Т***1 | Датчик сигнализатора температуры | |
11 | Т***В | Датчик температуры | |
12 | Ш***9 | Шайба 10 65Г 019 | |
13 | Д***2 | Провод | |
14 | М***Д | Датчик-сигнализатор давления |
Содержащиеся в справочниках-каталогах запасные части и детали не предлагаются к продаже, а носят исключительно информационный характер. В демо-версии артикулы (номера деталей) скрыты. Если вы хотите видеть полные оригинальные номера запчастей, вам необходимо зарегистрироваться на нашем сайте и приобрести подписку по интересующей вас конфигурации, после этого вы сможете встроить онлайн-каталоги на ваш сайт или пользоваться ими из личного кабинета нашего сайта. Обращаем ваше внимание на то, что каталоги содержат информацию об оригинальных заводских номерах и названиях запчастей. База по аналогам в данный момент не реализована. Поиска по VIN-номерам в онлайн-каталоге не предусмотрено. Выбор конкретного каталога осуществляется путем открытия нужного типа техники, марки, модели с учетом года выпуска или модификации.