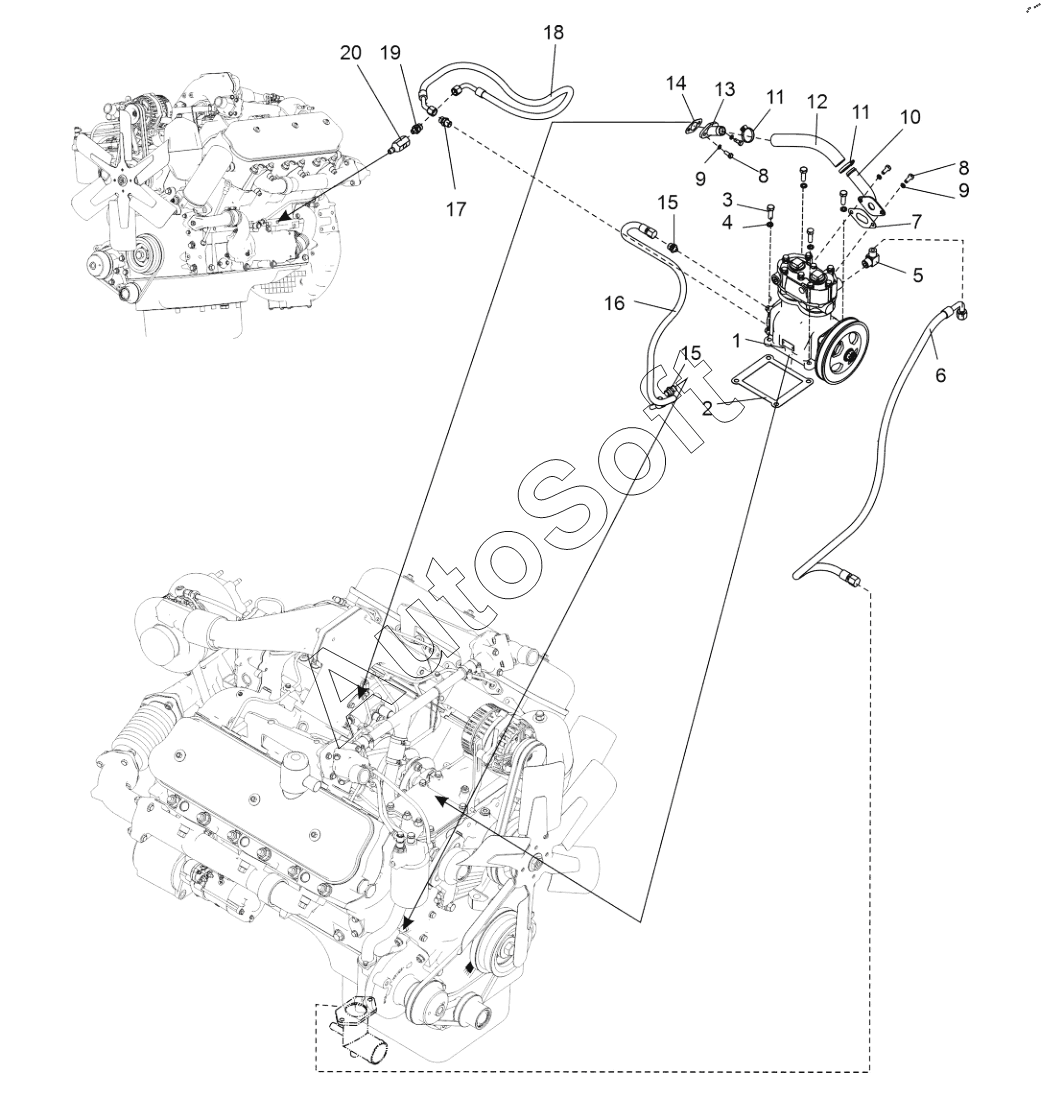
Каталог запасных частей к технике: ЧСДМ ДЗ-250 (ГМП) (2024). Установка компрессора (25001.42.10.000)

11
11
20
19
18
17
16
15
15
14
13
12
1
10
9
9
8
8
7
6
5
4
3
2
Позиция на иллюстрации | Заводской номер детали | Название детали | |
---|---|---|---|
1 | 5***2 | Компрессор | |
2 | Д***9 | Прокладка | |
3 | Б***9 | Болт М10-6gх30.58.019 | |
4 | Ш***9 | Шайба 10 65Г 019 | |
5 | Д***1 | Угольник | |
6 | Р***1 | РНД 10-4,4-1300-0,08-54/54.90-М18x1,5/ М18x1,5-Т1 | |
7 | Д***2 | Прокладка | |
8 | Б***9 | Болт М8-6gх20.58.019 | |
9 | Ш***9 | Шайба 8 65Г 019 | |
10 | Д***0 | Патрубок | |
11 | Х***6 | Хомут 1Л 25-40-6 | |
12 | А***1 | Рукав | |
13 | А***0 | Патрубок | |
14 | А***2 | Прокладка | |
15 | Д***4 | Штуцер | |
16 | Р***1 | РНД 10-4,4-1000-0,08-54.90/54.90-М18x1,5/ М18x1,5-Т1 | |
17 | Д***5 | Ниппель | |
18 | Р***1 | РНД 10-4,4-1000-0,08-54.90/54.90-М18x1,5/ М18x1,5-ХЛ1 | |
19 | Д***8 | Ниппель | |
20 | Д***8 | Ниппель |
Содержащиеся в справочниках-каталогах запасные части и детали не предлагаются к продаже, а носят исключительно информационный характер. В демо-версии артикулы (номера деталей) скрыты. Если вы хотите видеть полные оригинальные номера запчастей, вам необходимо зарегистрироваться на нашем сайте и приобрести подписку по интересующей вас конфигурации, после этого вы сможете встроить онлайн-каталоги на ваш сайт или пользоваться ими из личного кабинета нашего сайта. Обращаем ваше внимание на то, что каталоги содержат информацию об оригинальных заводских номерах и названиях запчастей. База по аналогам в данный момент не реализована. Поиска по VIN-номерам в онлайн-каталоге не предусмотрено. Выбор конкретного каталога осуществляется путем открытия нужного типа техники, марки, модели с учетом года выпуска или модификации.