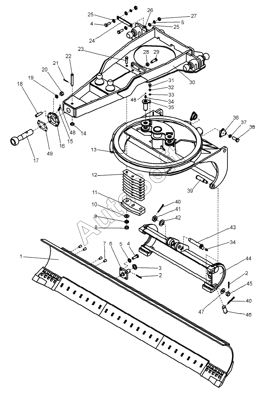
Каталог запасных частей к технике: ЧСДМ ДЗ-250 (механическая) (2024). Рама тяговая с отвалом (ДЗ-98Д.34.00.000)

38
26
27
28
29
30
31
32
33
34
34
35
36
37
25
25
39
40
40
41
42
43
44
45
46
47
48
48
49
13
2
2
3
4
4
5
5
6
7
8
9
10
11
12
1
14
15
16
17
18
19
20
21
22
23
24
Позиция на иллюстрации | Заводской номер детали | Название детали | |
---|---|---|---|
Болт М20-6gx40.58.019 | Б***9 | Болт М20-6gx40.58.019 | |
Д498-06-191 | Д***1 | Гайка | |
1 | Д***0 | Отвал | |
2 | Ш***9 | Шплинт 6,3х71.019 | |
3 | 0***1 | Шайба | |
4 | Б***) | Болт М20-6gх55.58.019(S30) | |
5 | Ш***9 | Шайба | |
6 | Д***0 | Опора штока | |
7 | Д***1 | Пробка | |
8 | Д***8 | Гайка | |
9 | Ш***9 | Шайба 27.65Г.069 | |
10 | Д***3 | Шайба | |
11 | Д***6 | Накладка | |
12 | Д***7 | Прокладка | |
13 | Д***0 | Рама | |
14 | Д***6 | Кольцо | |
15 | М***6 | Масленка 2.2.45.Ц6 | |
16 | Д***4 | Опора шкворня | |
17 | Д***4 | Шкворень | |
18 | Д***1 | Шпилька специальная | |
19 | Ш***9 | Шайба 24.65Г.069 | |
20 | Г***) | Гайка М24-6Н.5.019(S36) | |
21 | Ш***9 | Шплинт 5х40.019 | |
22 | А***3 | Палец | |
23 | Д***9 | Болт | |
24 | В***1 | Тяга | |
25 | Ш***9 | Шайба С20.02.019 | |
26 | В***4 | Проушина | |
27 | Г***) | Гайка М20-6Н.5.019(S30) | |
28 | Г***) | Гайка М30-6Н.8.019(S46) | |
29 | Д***4 | Болт | |
30 | Д***0 | Балка несущая | |
31 | Б***) | Болт М12-6gх40.58.019(S18) | |
32 | Ш***9 | Шайба 12.65Г.019 | |
33 | Ш***9 | Шайба С12.02.019 | |
34 | М***6 | Масленка 1.2.Ц6 | |
35 | Д***0 | Ось | |
36 | Д***7 | Втулка | |
37 | Ш***9 | Шайба 16.65Г.019 | |
38 | Б***) | Болт М16-6gх40.58.019(S24) | |
39 | Д***1 | Палец | |
40 | Ш***9 | Шплинт 8х80.019 | |
41 | 0***1 | Гайка прорезная | |
42 | 0***2 | Шайба | |
43 | Т***1 | Ось | |
44 | Д***2 | Опора отвала | |
45 | Г***6 | Гайка М36х3-6Н.6 | |
46 | Д***9 | Палец | |
47 | Ш***9 | Шайба С36х4 Ст3пс3.019 | |
48 | 2***2 | Колпачок пресс-масленки | |
49 | Д***9 | Прокладка регулировочная |
Содержащиеся в справочниках-каталогах запасные части и детали не предлагаются к продаже, а носят исключительно информационный характер. В демо-версии артикулы (номера деталей) скрыты. Если вы хотите видеть полные оригинальные номера запчастей, вам необходимо зарегистрироваться на нашем сайте и приобрести подписку по интересующей вас конфигурации, после этого вы сможете встроить онлайн-каталоги на ваш сайт или пользоваться ими из личного кабинета нашего сайта. Обращаем ваше внимание на то, что каталоги содержат информацию об оригинальных заводских номерах и названиях запчастей. База по аналогам в данный момент не реализована. Поиска по VIN-номерам в онлайн-каталоге не предусмотрено. Выбор конкретного каталога осуществляется путем открытия нужного типа техники, марки, модели с учетом года выпуска или модификации.