Каталог запасных частей к технике: ЧСДМ ДЗ-250 (механическая) (2024). Боковой отвал (ДЗ-98БО.26.00.000-01)

31
31
31
31
31
31
22
23
23
24
24
25
25
25
25
26
26
27
27
28
28
28
29
29
29
29
29
30
30
30
30
21
32
33
34
35
36
36
37
38
39
40
11
11
11
11
11
11
2
3
4
5
5
5
6
7
7
7
7
7
8
8
8
8
8
9
9
9
9
9
9
10
10
10
10
10
10
1
12
12
12
12
12
12
13
14
15
16
16
17
17
18
18
19
19
20
20
20
20
20
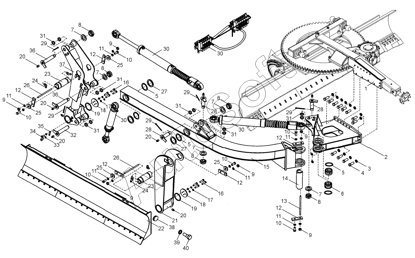
Позиция на иллюстрации | Заводской номер детали | Название детали | |
---|---|---|---|
1 | Д***0 | Доработка тяговой рамы | |
2 | Д***1 | Кронштейн | |
3 | Ш***9 | Шайба 24.65Г.019 | |
4 | Д***2 | Болт | |
5 | П***1 | Шайба | |
6 | Д**** | Втулка | |
7 | 0***1 | Шайба | |
8 | 0***2 | Гайка | |
9 | Г***) | Гайка М20-6Н.5.019(S30) | |
10 | 0***5 | Болт | |
11 | Ш***9 | Шайба | |
12 | Д***2 | Планка | |
13 | Д***1 | Шпилька | |
14 | Д***1 | Ось | |
15 | Д***1 | Балка | |
16 | Б***) | Болт М16-6gx55.58.019(S24) | |
17 | Ш***9 | Шайба 16.65Г.019 | |
18 | Д***3 | Крышка | |
19 | П***3 | Шайба | |
20 | М***6 | Маслёнка 1.2.Ц6 | |
21 | Д***0 | Коромысло переднее | |
22 | Д***0 | Отвал | |
23 | Д***1 | Ось | |
24 | М***6 | Маслёнка 2.2.45.Ц6 | |
25 | 0***8 | Шайба | |
26 | Д***4 | Шпилька | |
27 | Д***5 | Шайба | |
28 | Д***0 | Ось | |
29 | Ш***9 | Шплинт 8х100.019 | |
30 | Д***0 | Гидросистема бокового отвала | |
31 | 0***2 | Кольцо | |
32 | Д***0 | Ось | |
33 | Ш***9 | Шайба 10.65Г.019 | |
34 | Б***) | Болт M10-6gx25.58.019(S16) | |
35 | Д***7 | Серьга | |
36 | Д***0 | Ось | |
37 | Д***0 | Рычаг телескопический | |
38 | Ф***Е | Сетовозвращатель | |
39 | Ш***9 | Шайба 6.65Г.019 | |
40 | Б***) | Болт М6-6дх16.58.019(S10) |
Содержащиеся в справочниках-каталогах запасные части и детали не предлагаются к продаже, а носят исключительно информационный характер. В демо-версии артикулы (номера деталей) скрыты. Если вы хотите видеть полные оригинальные номера запчастей, вам необходимо зарегистрироваться на нашем сайте и приобрести подписку по интересующей вас конфигурации, после этого вы сможете встроить онлайн-каталоги на ваш сайт или пользоваться ими из личного кабинета нашего сайта. Обращаем ваше внимание на то, что каталоги содержат информацию об оригинальных заводских номерах и названиях запчастей. База по аналогам в данный момент не реализована. Поиска по VIN-номерам в онлайн-каталоге не предусмотрено. Выбор конкретного каталога осуществляется путем открытия нужного типа техники, марки, модели с учетом года выпуска или модификации.