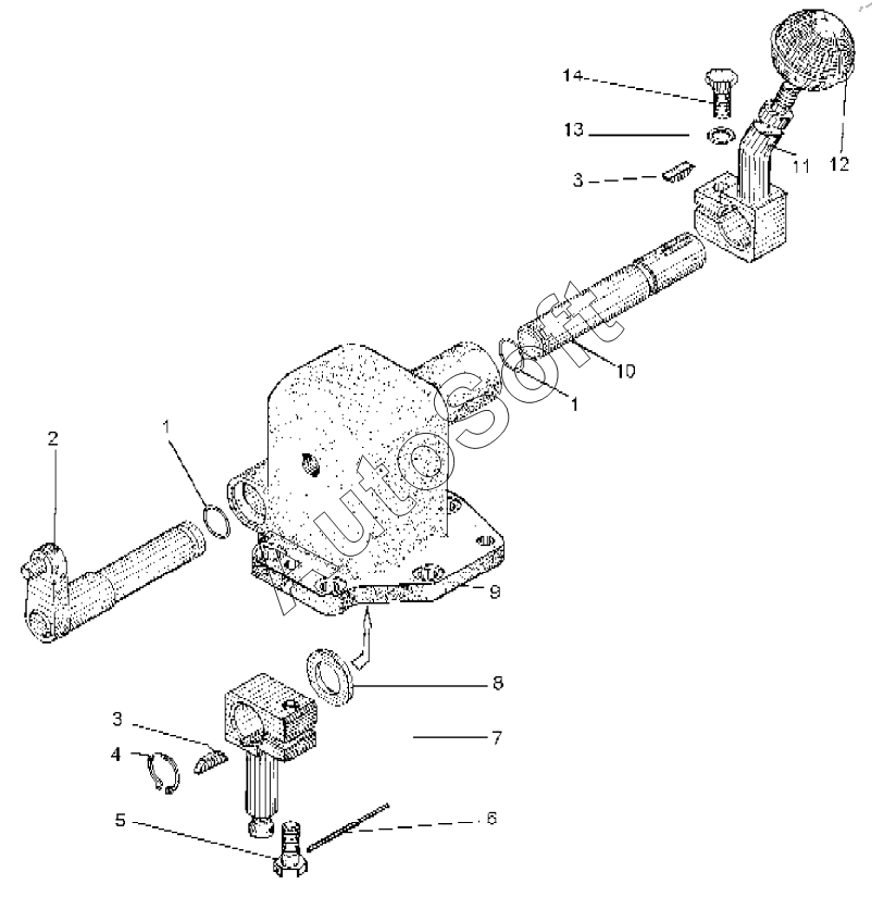
Каталог запасных частей к технике: ЧСДМ ДЗ-250 (механическая) (2024). Механизм переключения реверса (Д395В.10.04.050)

1
1
2
3
3
3
3
4
5
6
7
8
9
10
11
12
13
14
Позиция на иллюстрации | Заводской номер детали | Название детали | |
---|---|---|---|
1 | К***2 | Кольцо 020-025-30-2-2 | |
2 | Д***0 | Валик | |
3 | Д***8 | Шпонка сегментная | |
3 | Д***1 | Шпонка сегментная | |
4 | К***5 | Кольцо 1Б25 | |
5 | Д***2 | Болт специальный | |
6 | П***С | Проволока 1,6-С | |
7 | Д***0 | Рычаг в сборе | |
8 | Д***1 | Шайба | |
9 | Д***1 | Крышка | |
10 | Д***9 | Валик | |
11 | Д***0 | Рычаг | |
12 | Д***7 | Ручка шаровая | |
13 | Ш***9 | Шайба 12.65Г.069 | |
14 | Б***9 | Болт М12-6gх30.58.019 |
Содержащиеся в справочниках-каталогах запасные части и детали не предлагаются к продаже, а носят исключительно информационный характер. В демо-версии артикулы (номера деталей) скрыты. Если вы хотите видеть полные оригинальные номера запчастей, вам необходимо зарегистрироваться на нашем сайте и приобрести подписку по интересующей вас конфигурации, после этого вы сможете встроить онлайн-каталоги на ваш сайт или пользоваться ими из личного кабинета нашего сайта. Обращаем ваше внимание на то, что каталоги содержат информацию об оригинальных заводских номерах и названиях запчастей. База по аналогам в данный момент не реализована. Поиска по VIN-номерам в онлайн-каталоге не предусмотрено. Выбор конкретного каталога осуществляется путем открытия нужного типа техники, марки, модели с учетом года выпуска или модификации.