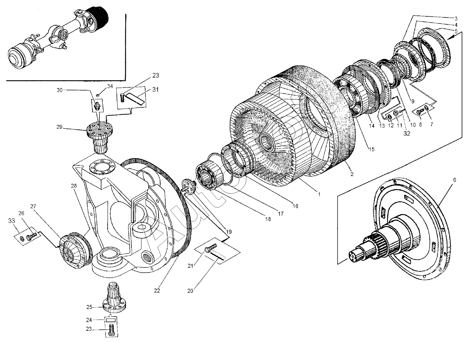
Каталог запасных частей к технике: ЧСДМ ДЗ-250 (механическая) (2024). Мост передний ведущий (ДЗ-98В1.61.00.000)

27
19
20
21
22
23
23
24
25
26
18
28
29
30
31
32
33
34
10
2
3
4
5
6
7
8
9
1
11
12
13
14
15
16
17
Позиция на иллюстрации | Заводской номер детали | Название детали | |
---|---|---|---|
1 | Д***2 | Шестерня | |
2 | Д***0 | Корпус | |
3 | Д***8 | Корпус сальника | |
4 | К***4 | Кольцо СП210-178-14 | |
5 | Д***9 | Крышка сальника | |
6 | Д***0 | Ступица колеса | |
7 | Ш***9 | Шайба 8.65Г.069 | |
8 | Б***9 | Болт М8-6gх16.58.019 | |
9 | Д***7 | Втулка | |
10 | М***1 | Манжета 2.2-130х160-1 | |
11 | Г***9 | Гайка М12-6Н.04.019 | |
12 | Ш***9 | Шайба С12.65Г.069 | |
13 | Д***5 | Крышка подшипника | |
14 | Д***4 | Прокладка | |
15 | П***2 | Подшипник 322 | |
16 | Д***1 | Стакан | |
17 | К***1 | Кольцо190-200-58-2-21 | |
18 | П***5 | Подшипник 32615 | |
19 | Д***1 | Фланец | |
20 | Д***7 | Планка | |
21 | Б***9 | Болт М16-6gх40.58.019 | |
22 | Д***4 | Прокладка | |
23 | Б***9 | Болт М10-6gх30.58.019 | |
24 | Д***1 | Планка | |
25 | Д***8 | Палец | |
26 | Б***9 | Болт М12-6gх25.58.019 | |
27 | Д***3 | Крышка | |
28 | Д***3 | Прокладка | |
29 | Д***3 | Палец | |
30 | М***6 | Масленка 1.3.Ц6 | |
31 | Д***1 | Планка | |
32 | Ш***2 | Шплинт 3,2х32 | |
33 | Ш***9 | Шайба 12.65Г.069 | |
34 | 2***2 | Колпачок пресс-масленки |
Содержащиеся в справочниках-каталогах запасные части и детали не предлагаются к продаже, а носят исключительно информационный характер. В демо-версии артикулы (номера деталей) скрыты. Если вы хотите видеть полные оригинальные номера запчастей, вам необходимо зарегистрироваться на нашем сайте и приобрести подписку по интересующей вас конфигурации, после этого вы сможете встроить онлайн-каталоги на ваш сайт или пользоваться ими из личного кабинета нашего сайта. Обращаем ваше внимание на то, что каталоги содержат информацию об оригинальных заводских номерах и названиях запчастей. База по аналогам в данный момент не реализована. Поиска по VIN-номерам в онлайн-каталоге не предусмотрено. Выбор конкретного каталога осуществляется путем открытия нужного типа техники, марки, модели с учетом года выпуска или модификации.