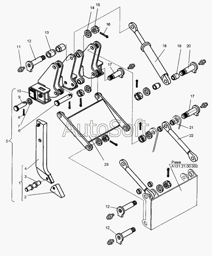
Каталог запасных частей к технике: ЧСДМ А-120 (2003). Оборудование рыхлительное (А121.25.03.000)
13
А121.21.00.000
А121.25.03.000
23
22
21
20
19
18
17
17
16
15
14
1
12
12
12
11
10
9
8
7
6
5
4
3
2
| Позиция на иллюстрации | Заводской номер детали | Название детали | |
|---|---|---|---|
| А121.21.00.000 | А***0 | Рама | |
| А121.25.03.000 | А***0 | Оборудование рыхлительное | |
| 1 | А***0 | Зуб | |
| 2 | Д***2 | Наконечник | |
| 3 | Т***0 | Палец | |
| 4 | А***1 | Стойка | |
| 5 | А***0 | Рыхлитель | |
| 6 | А***1 | Палец | |
| 7 | Д***8 | Шайба | |
| 8 | [***] | Шплинт 8x71 ГОСТ 397-79 | |
| 9 | 0***5 | Палец | |
| 10 | А***0 | Балка рабочая | |
| 11 | [***] | Масленка 1.2.Ц6 ГОСТ 19853-74 | |
| 12 | Т***4 | Ось | |
| 13 | Т***3 | Втулка | |
| 14 | 0***2 | Шайба | |
| 15 | 0***1 | Гайка прорезная | |
| 16 | [***] | Шплинт 8x71.019 ГОСТ 397-79 | |
| 17 | Т***6 | Ось | |
| 18 | А***0 | Гидроцилиндр | |
| 19 | Т***4 | Втулка | |
| 20 | Т***0 | Ось | |
| 21 | А***4 | Втулка | |
| 22 | А***1 | Тяга | |
| 23 | А***0 | Рама |
Содержащиеся в справочниках-каталогах запасные части и детали не предлагаются к продаже, а носят исключительно информационный характер. В демо-версии артикулы (номера деталей) скрыты. Если вы хотите видеть полные оригинальные номера запчастей, вам необходимо зарегистрироваться на нашем сайте и приобрести подписку по интересующей вас конфигурации, после этого вы сможете встроить онлайн-каталоги на ваш сайт или пользоваться ими из личного кабинета нашего сайта. Обращаем ваше внимание на то, что каталоги содержат информацию об оригинальных заводских номерах и названиях запчастей. База по аналогам в данный момент не реализована. Поиска по VIN-номерам в онлайн-каталоге не предусмотрено. Выбор конкретного каталога осуществляется путем открытия нужного типа техники, марки, модели с учетом года выпуска или модификации.