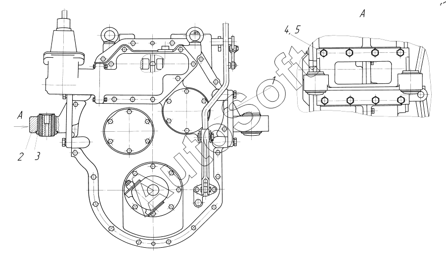
Каталог запасных частей к технике: Брянский Арсенал АГ-180 (с механической КПП) (2024). Коробка перемены передач с кронштейнами 240.30.03.00.000-00

1
2
3
4
5
Позиция на иллюстрации | Заводской номер детали | Название детали | |
---|---|---|---|
1 | 2***2 | Коробка перемены передач | |
2 | 2***0 | Кронштейн | |
3 | 2***0 | Амортизатор | |
4 | Б***0 | Болт | |
5 | Ш***Г | Шайба 16.65Г |
Содержащиеся в справочниках-каталогах запасные части и детали не предлагаются к продаже, а носят исключительно информационный характер. В демо-версии артикулы (номера деталей) скрыты. Если вы хотите видеть полные оригинальные номера запчастей, вам необходимо зарегистрироваться на нашем сайте и приобрести подписку по интересующей вас конфигурации, после этого вы сможете встроить онлайн-каталоги на ваш сайт или пользоваться ими из личного кабинета нашего сайта. Обращаем ваше внимание на то, что каталоги содержат информацию об оригинальных заводских номерах и названиях запчастей. База по аналогам в данный момент не реализована. Поиска по VIN-номерам в онлайн-каталоге не предусмотрено. Выбор конкретного каталога осуществляется путем открытия нужного типа техники, марки, модели с учетом года выпуска или модификации.