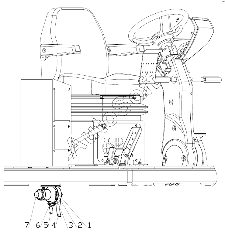
Каталог запасных частей к технике: Брянский Арсенал АГ-180 (с механической КПП) (2024). Установка выключателя "массы"

1
2
3
4
5
6
7
Позиция на иллюстрации | Заводской номер детали | Название детали | |
---|---|---|---|
1 | Ш***6 | Шайба С6 х1,46 | |
2 | Ш***Г | Шайба 65Г | |
3 | Б***6 | Болт М 6х16 | |
4 | 7***0 | Провод "массы" | |
5 | 7***0 | Провод "массы" | |
6 | 7***0 | Провод | |
7 | 1***7 | Выключатель 1410.3737 |
Содержащиеся в справочниках-каталогах запасные части и детали не предлагаются к продаже, а носят исключительно информационный характер. В демо-версии артикулы (номера деталей) скрыты. Если вы хотите видеть полные оригинальные номера запчастей, вам необходимо зарегистрироваться на нашем сайте и приобрести подписку по интересующей вас конфигурации, после этого вы сможете встроить онлайн-каталоги на ваш сайт или пользоваться ими из личного кабинета нашего сайта. Обращаем ваше внимание на то, что каталоги содержат информацию об оригинальных заводских номерах и названиях запчастей. База по аналогам в данный момент не реализована. Поиска по VIN-номерам в онлайн-каталоге не предусмотрено. Выбор конкретного каталога осуществляется путем открытия нужного типа техники, марки, модели с учетом года выпуска или модификации.