Каталог запасных частей к технике: Промтрактор Т-11.01К (2008). 1101-26-60СП Клапан
8
17
16
16
15
14
14
13
12
11
10
9
1101-26-60СП(SP)
7
6
6
5
4
4
3
2
1
1101-26-60-20СП(SP)
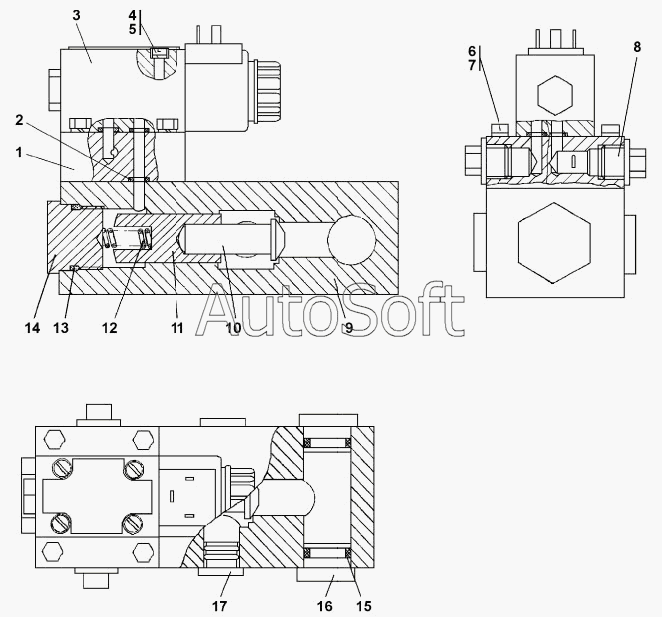
| Позиция на иллюстрации | Заводской номер детали | Название детали | |
|---|---|---|---|
| 1101-26-60-20СП(SP) | 1***) | Клапан | |
| 1101-26-60СП(SP) | 1***) | Клапан | |
| 1 | 1***5 | Проставка | |
| 2 | 0***8 | Кольцо ГОСТ 18829-73/ТУ 38.005.204-84 | |
| 3 | 4***4 | Клапан 4WE6D6X/ ЕG24N9K4 | |
| 4 | 3***1 | Винт | |
| 4 | 3***0 | Винт | |
| 5 | Ш***5 | Шайба 5 | |
| 6 | 2***0 | Болт | |
| 6 | 2***0 | Болт | |
| 7 | Ш***Т | Шайба 6Т | |
| 8 | 4***7 | Заглушка | |
| 9 | 1***7 | Корпус | |
| 10 | 2***1 | Клапан | |
| 11 | 2***5 | Плунжер | |
| 12 | 2***1 | Пружина | |
| 13 | 0***8 | Кольцо ГОСТ 18829-73/ТУ 38.005.204-84 | |
| 14 | 3***2 | Пробка | |
| 14 | 3***0 | Пробка | |
| 15 | 0***8 | Кольцо 022-028-36-2-51-1668 | |
| 16 | 2***0 | Заглушка | |
| 16 | 2***0 | Заглушка | |
| 17 | 7***1 | Пробка |
Содержащиеся в справочниках-каталогах запасные части и детали не предлагаются к продаже, а носят исключительно информационный характер. В демо-версии артикулы (номера деталей) скрыты. Если вы хотите видеть полные оригинальные номера запчастей, вам необходимо зарегистрироваться на нашем сайте и приобрести подписку по интересующей вас конфигурации, после этого вы сможете встроить онлайн-каталоги на ваш сайт или пользоваться ими из личного кабинета нашего сайта. Обращаем ваше внимание на то, что каталоги содержат информацию об оригинальных заводских номерах и названиях запчастей. База по аналогам в данный момент не реализована. Поиска по VIN-номерам в онлайн-каталоге не предусмотрено. Выбор конкретного каталога осуществляется путем открытия нужного типа техники, марки, модели с учетом года выпуска или модификации.