Каталог запасных частей к технике: Промтрактор ТГ-503К (2006). 2501-12-17-01СП Блок трансмиссии
13
9
23
23
3
19
19
19
15
14
21
2
11
16
12
25
4
4
8
1
1
6
24
24
17
17
10
5
5
6
20
20
7
22
18
18
2
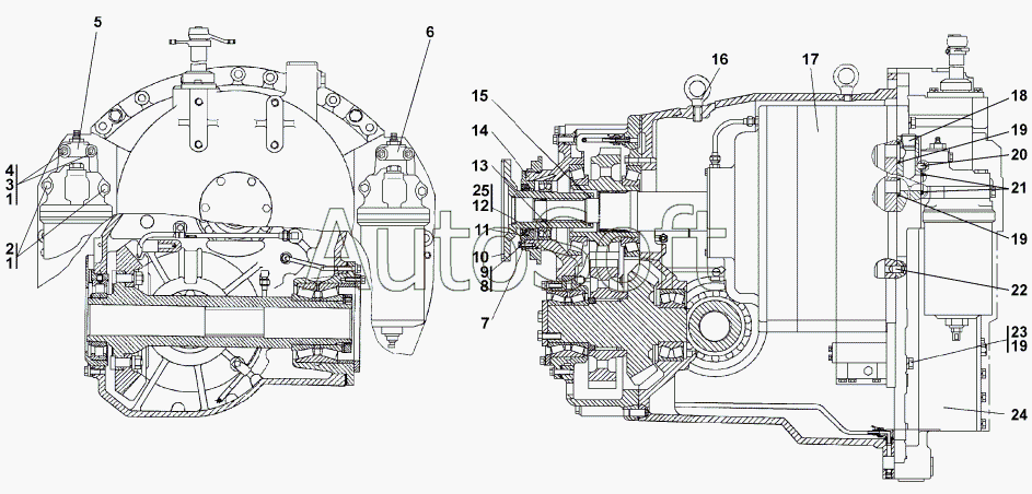
| Позиция на иллюстрации | Заводской номер детали | Название детали | |
|---|---|---|---|
| 2501-12-17-01-20СП -20(SP) | 2***) | Блок трансмиссии | |
| 2501-12-17-01СП(SP) | 2***) | Блок трансмиссии | |
| 1 | Ш***Т | Шайба 12ОТ | |
| 2 | 2***3 | Болт М12-6gx140 | |
| 2 | 2***0 | Болт М12-6gx140 | |
| 3 | Г***5 | Гайка М12x1,25 | |
| 4 | 2***0 | Шпилька М16 2-3п/1,5-6gх55.66.013 ГОСТ 22034-76 | |
| 4 | 2***0 | Шпилька М16 (2-Зп)/(1,5-6)х55 ГОСТ 22034-76 | |
| 5 | 2***) | Фильтр | |
| 5 | 2***) | Фильтр | |
| 6 | 2***) | Фильтр | |
| 6 | 2***) | Фильтр | |
| 7 | 2***2 | Крышка | |
| 8 | Ш***Т | Шайба 8Т | |
| 9 | Б***5 | Болт М8-6gx25 | |
| 10 | 2***) | Фланец | |
| 11 | 9***) | Манжета 95-120-12 BABSL AS DIN 3761 (Art –2315) | |
| 12 | 3***Н | Подшипник 3516Н | |
| 13 | 7***2 | Кольцо С80 ГОСТ 13940-86 | |
| 14 | 1***8 | Кольцо 150-155-36-2-51-1668 | |
| 15 | 0***8 | Кольцо ГОСТ 18829-73/ТУ 38.005.204-84 | |
| 16 | 7***4 | Рым-болт М20.05 ГОСТ 4751-73 | |
| 17 | 2***) | Передача главная | |
| 17 | 2***) | Передача главная | |
| 18 | 3***0 | Пробка | |
| 18 | 3***0 | Пробка | |
| 19 | 0***8 | Кольцо ГОСТ 18829-73/ТУ 38.005.204-84 | |
| 20 | 2***1 | Корпус (476719267303) | |
| 20 | 2***0 | Корпус | |
| 21 | 0***1 | Кольцо 030-035-30-2-ИПР-1314-1 | |
| 22 | 3***3 | Штифт | |
| 23 | 2***0 | Болт М16х1,5-6gх50.109.40Х.019 ГОСТ 7796-70 | |
| 23 | 2***0 | Болт М16х1,5-6gх50.109.40Х.029 ГОСТ 7796-70 | |
| 24 | 2***) | Коробка передач с системой гидроуправления | |
| 24 | 2***) | Коробка передач с системой гидроуправления | |
| 25 | 2***3 | Подшипник 22216МВW33 |
Содержащиеся в справочниках-каталогах запасные части и детали не предлагаются к продаже, а носят исключительно информационный характер. В демо-версии артикулы (номера деталей) скрыты. Если вы хотите видеть полные оригинальные номера запчастей, вам необходимо зарегистрироваться на нашем сайте и приобрести подписку по интересующей вас конфигурации, после этого вы сможете встроить онлайн-каталоги на ваш сайт или пользоваться ими из личного кабинета нашего сайта. Обращаем ваше внимание на то, что каталоги содержат информацию об оригинальных заводских номерах и названиях запчастей. База по аналогам в данный момент не реализована. Поиска по VIN-номерам в онлайн-каталоге не предусмотрено. Выбор конкретного каталога осуществляется путем открытия нужного типа техники, марки, модели с учетом года выпуска или модификации.