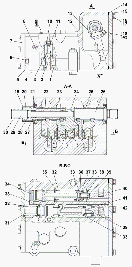
Каталог запасных частей к технике: Промтрактор Т-35.01К (2007). 1501-15-41СП Блок управления
32
32
20
21
22
23
24
25
26
27
28
29
30
31
19
33
33
33
33
34
35
36
37
38
39
39
40
41
42
43
9
1501-15-41-20СП(SP)
1
2
3
3
4
5
5
6
6
7
8
9
1501-15-41СП(SP)
10
11
12
12
13
14
14
15
16
17
18
| Позиция на иллюстрации | Заводской номер детали | Название детали | |
|---|---|---|---|
| 1501-15-41-20СП(SP) | 1***) | Блок управления | |
| 1501-15-41СП(SP) | 1***) | Блок управления | |
| 1 | 0***8 | Кольцо 024-028-25-2-51-1668 | |
| 2 | 1***2 | Корпус | |
| 3 | 0***8 | Кольцо ГОСТ 9833-73/ТУ 38.005.204-84 | |
| 4 | 2***1 | Заглушка | |
| 5 | 4***9 | Прокладка | |
| 5 | 4***0 | Прокладка | |
| 6 | 7***1 | Пробка | |
| 6 | 7***0 | Пробка | |
| 7 | 1***0 | Крышка | |
| 8 | 3***0 | Пробка 3-кг1/4" | |
| 9 | 3***1 | Пробка | |
| 9 | 3***0 | Пробка | |
| 10 | 3***1 | Пружина | |
| 11 | 1***6 | Клапан | |
| 12 | 1***9 | Корпус | |
| 12 | 1***0 | Корпус | |
| 13 | 3***7 | Клин | |
| 14 | 4***8 | Прокладка | |
| 14 | 4***0 | Прокладка | |
| 15 | 1***1 | Крышка | |
| 16 | Б***5 | Болт М8-6gx25 | |
| 17 | Ш***Т | Шайба 8Т | |
| 18 | Г***8 | Гайка М8 | |
| 19 | 2***2 | Труба | |
| 20 | 1***7 | Валик | |
| 21 | 2***3 | Манжета 2.2-30x52-3 | |
| 22 | 1***9 | Рычаг | |
| 23 | 1***7 | Рычаг | |
| 24 | 1***6 | Рычаг | |
| 25 | 9***0 | Подшипник 941/30 | |
| 26 | 1***6 | Валик | |
| 27 | 9***5 | Подшипник 941/15 | |
| 28 | 0***8 | Кольцо ГОСТ 9833-73/ГОСТ 18829-73 | |
| 29 | 1***5 | Валик | |
| 30 | 2***1 | Труба | |
| 31 | 1***1 | Золотник | |
| 32 | 3***1 | Пружина | |
| 33 | 4***5 | Кольцо | |
| 34 | 1***0 | Золотник | |
| 35 | 1***4 | Кольцо | |
| 36 | 1***8 | Упор | |
| 37 | 1***9 | Кольцо | |
| 38 | 3***1 | Пружина | |
| 39 | 1***2 | Плунжер | |
| 40 | 1***3 | Толкатель | |
| 41 | 3***1 | Пружина | |
| 42 | 1***4 | Толкатель | |
| 43 | 2***6 | Прокладка |
Содержащиеся в справочниках-каталогах запасные части и детали не предлагаются к продаже, а носят исключительно информационный характер. В демо-версии артикулы (номера деталей) скрыты. Если вы хотите видеть полные оригинальные номера запчастей, вам необходимо зарегистрироваться на нашем сайте и приобрести подписку по интересующей вас конфигурации, после этого вы сможете встроить онлайн-каталоги на ваш сайт или пользоваться ими из личного кабинета нашего сайта. Обращаем ваше внимание на то, что каталоги содержат информацию об оригинальных заводских номерах и названиях запчастей. База по аналогам в данный момент не реализована. Поиска по VIN-номерам в онлайн-каталоге не предусмотрено. Выбор конкретного каталога осуществляется путем открытия нужного типа техники, марки, модели с учетом года выпуска или модификации.