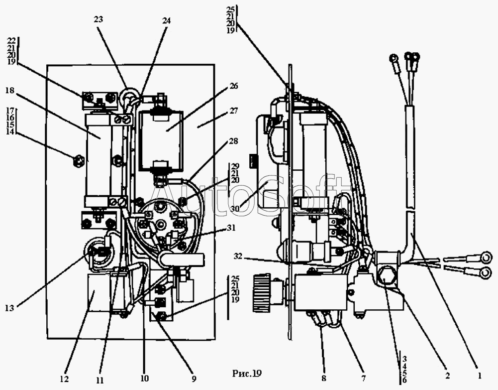
Каталог запасных частей к технике: Промтрактор Т-25.01Я (2006). Блок управления отопителем
25
25
17
18
19
19
19
20
20
20
20
21
21
21
21
22
23
24
16
26
27
28
29
30
30
31
32
8
1
2
3
4
5
6
7
9
10
11
12
13
14
15
| Позиция на иллюстрации | Заводской номер детали | Название детали | |
|---|---|---|---|
| 312505-10-103-10СП | 3***П | Блок управления отопителем | |
| 312505-10-103СП | 3***П | Блок управления отопителем | |
| 1 | 3***П | Жгут | |
| 2 | 7***6 | Хомут | |
| 3 | Б***0 | Болт М8х16 ГОСТ 7796-70 | |
| 4 | М***0 | Гайка | |
| 5 | Ш***0 | Шайба 8Т ГОСТ 6402-70 | |
| 6 | 3***0 | Шайба 8.01.08кп.019 ГОСТ 11371-78 | |
| 7 | 3***П | Провод | |
| 8 | 3***П | Провод | |
| 9 | В***3 | Выключатель ВН-45МТУ 16-526.016-73 | |
| 10 | 3***П | Провод | |
| 11 | 3***П | Провод | |
| 12 | П***0 | Переключатель ТУ 37.003.417-82 | |
| 13 | Ф***0 | Фонарь контрольной лампы ПД 20-ЛТУ 37.003.293-72 | |
| 14 | 3***0 | Шайба 5.01.10.019 ГОСТ 11371-78 | |
| 15 | Ш***0 | Шайба 5.65Г ГОСТ 6402-70 | |
| 16 | М***0 | Гайка | |
| 17 | В***0 | Винт В.М5х16 ГОСТ 17473-80 | |
| 18 | С***м | Сопротивление 0,65 Ом | |
| 19 | 3***0 | Шайба 4.01.08кп.019 ГОСТ 11371-78 | |
| 20 | Ш***0 | Шайба 4.65Г ГОСТ 6402-70 | |
| 21 | Г***0 | Гайка М4 ГОСТ 5927-70 | |
| 22 | В***0 | Винт В.М4х10 ГОСТ 17473-80 | |
| 23 | 7***5 | Кольцо | |
| 24 | 3***П | Провод | |
| 25 | В***0 | Винт В.М4х12 ГОСТ 17473-80 | |
| 26 | С***9 | Спираль контрольнаяТУ 37.001.381-79 | |
| 27 | 3***П | Крышка | |
| 28 | 3***П | Провод | |
| 29 | В***0 | Винт В.М4х16 ГОСТ 17473-80 | |
| 30 | 1***0 | Блок предохранительный ТУ 37.003.754-76 | |
| 30 | 1***Э | Блок предохранительный | |
| 31 | Р***8 | Реле перегрева РС 404ТУ 37.003.288-78 | |
| 32 | 3***П | Провод |
Содержащиеся в справочниках-каталогах запасные части и детали не предлагаются к продаже, а носят исключительно информационный характер. В демо-версии артикулы (номера деталей) скрыты. Если вы хотите видеть полные оригинальные номера запчастей, вам необходимо зарегистрироваться на нашем сайте и приобрести подписку по интересующей вас конфигурации, после этого вы сможете встроить онлайн-каталоги на ваш сайт или пользоваться ими из личного кабинета нашего сайта. Обращаем ваше внимание на то, что каталоги содержат информацию об оригинальных заводских номерах и названиях запчастей. База по аналогам в данный момент не реализована. Поиска по VIN-номерам в онлайн-каталоге не предусмотрено. Выбор конкретного каталога осуществляется путем открытия нужного типа техники, марки, модели с учетом года выпуска или модификации.