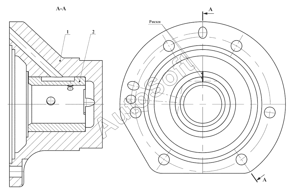
Каталог запасных частей к технике: Амкодор ГМП серии У35615 модели 332.17.15.000 (2018). У35615-01.080 Крышка

1
2
Позиция на иллюстрации | Заводской номер детали | Название детали | |
---|---|---|---|
У35615-01.080 | У***0 | Крышка | |
1 | У***1 | Крышка | |
2 | У***2 | Гильза |
Содержащиеся в справочниках-каталогах запасные части и детали не предлагаются к продаже, а носят исключительно информационный характер. В демо-версии артикулы (номера деталей) скрыты. Если вы хотите видеть полные оригинальные номера запчастей, вам необходимо зарегистрироваться на нашем сайте и приобрести подписку по интересующей вас конфигурации, после этого вы сможете встроить онлайн-каталоги на ваш сайт или пользоваться ими из личного кабинета нашего сайта. Обращаем ваше внимание на то, что каталоги содержат информацию об оригинальных заводских номерах и названиях запчастей. База по аналогам в данный момент не реализована. Поиска по VIN-номерам в онлайн-каталоге не предусмотрено. Выбор конкретного каталога осуществляется путем открытия нужного типа техники, марки, модели с учетом года выпуска или модификации.