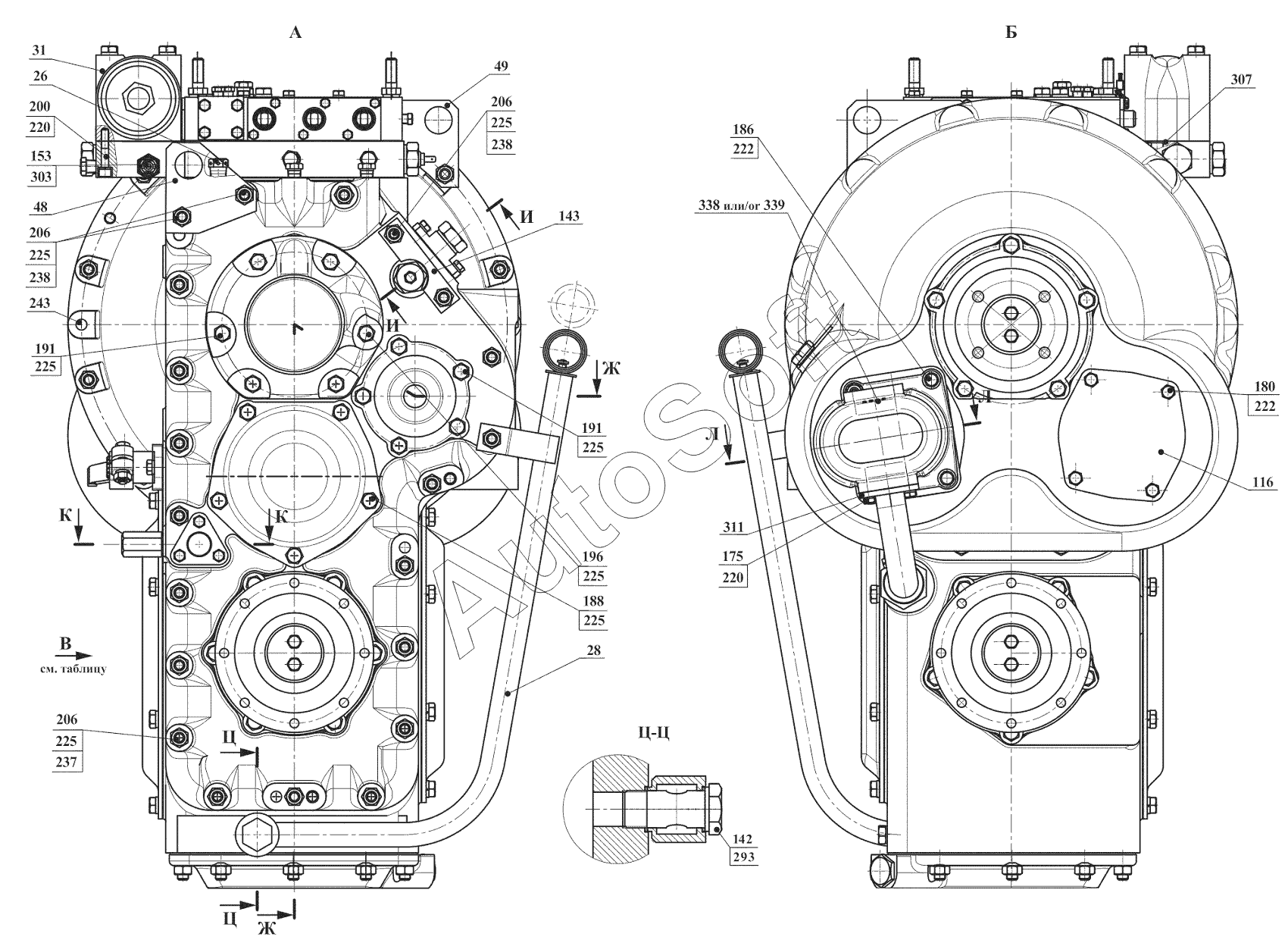
Каталог запасных частей к технике: Амкодор ГМП серии У35615 модели 332.17.15.000 (2018). 332.17.00.010 Передача гидромеханическая

26
28
28
31
48
49
116
142
143
153
175
180
186
188
191
191
196
200
206
206
206
220
220
222
222
225
225
225
225
225
225
225
237
238
238
243
293
303
307
311
338
338
339
Позиция на иллюстрации | Заводской номер детали | Название детали | |
---|---|---|---|
332.17.00.010 | 3***0 | Передача гидромеханическая | |
1 | 3***Б | Гидротрансформатор | |
3 | 3***0 | Ступица | |
5 | У***0 | Фланец | |
5 | У***1 | Фланец | |
6 | У***3 | Фланец | |
8 | У***Б | Корпус | |
9 | У***В | Корпус | |
10 | У***0 | Вал турбинный | |
10 | У***5 | Вал турбинный | |
11 | У***0 | Крышка | |
13 | У***0 | Крышка | |
13 | У***1 | Крышка | |
14 | У***0 | Поддон | |
15 | У***А | Сетка | |
16 | У***0 | Крышка | |
18 | У***0 | Вилка | |
19 | У***0 | Брызговик | |
21 | У***0 | Рычаг | |
23 | У***0 | Фланец | |
24 | У***0 | Вал реверса | |
25 | У***0 | Шестерня | |
26 | У***0 | Сапун | |
27 | У***0 | Трубопровод | |
28 | У***1 | Щуп | |
28 | У***2 | Щуп | |
29 | У***Б | Крышка | |
29 | У***Б | Крышка | |
30 | У***А | Распределитель | |
31 | У***0 | Фильтр | |
32 | У***В | Плита | |
32 | У***В | Плита | |
33 | У***0 | Блок клапанов | |
34 | У***0 | Клапан смазки | |
35 | У***А | Распределитель | |
36 | У***0 | Фланец | |
36 | У***2 | Фланец | |
38 | У***0 | Тормоз стояночный | |
40 | 3***7 | Крышка | |
41 | 3***8 | Прокладка | |
48 | 2***5 | Проушина | |
49 | 2***6 | Проушина | |
50 | Т***1 | Болт карданный | |
51 | Т***1 | Гайка | |
52 | У***8 | Муфта | |
53 | У***9 | Крышка | |
54 | У***3 | Прокладка | |
56 | У***5 | Заглушка | |
58 | У***3 | Кольцо | |
62 | У***6 | Прокладка | |
63 | У***6 | Прокладка | |
67 | У***1 | Крышка | |
71 | У***1 | Крышка | |
75 | У***2 | Кольцо | |
76 | У***2 | Втулка | |
77 | У***4 | Втулка | |
78 | У***5 | Втулка | |
79 | У***6 | Прокладка | |
80 | У***7 | Крышка | |
82 | У***1 | Вал | |
83 | У***1 | Шестерня | |
83 | У***2 | Шестерня | |
84 | У***3 | Шестерня | |
84 | У***1 | Шестерня | |
85 | У***1 | Шестерня | |
87 | У***Б | Крышка | |
88 | У***Б | Крышка | |
91 | У***В | Вал | |
91 | У***В | Вал | |
92 | У***2 | Шестерня | |
92 | У***1 | Шестерня | |
95 | У***1 | Полу муфта | |
98 | У***1 | Каретка | |
99 | У***7 | Шестерня | |
100 | У***3 | Шайба | |
101 | У***4 | Шайба | |
103 | У***Б | Крышка | |
104 | У***3 | Вилка | |
105 | У***4 | Втулка | |
109 | У***4 | Кольцо | |
110 | У***5 | Кольцо | |
112 | У***1 | Прокладка | |
113 | У***7 | Муфта | |
114 | У***8 | Муфта | |
115 | У***9 | Крышка | |
116 | У***1 | Крышка | |
117 | У***3 | Прокладка | |
122 | У***1 | Скалка | |
122 | У***2 | Скалка | |
123 | У***9 | Болт | |
124 | У***1 | Крышка | |
125 | У***1 | Крышка | |
127 | У***3 | Рычаг | |
128 | У***4 | Корпус фиксатора | |
129 | У***5 | Пружина | |
130 | У***6 | Толкатель | |
142 | У***4 | Болт полый | |
143 | У***5 | Планка | |
147 | У***9 | Штуцер | |
149 | У***Б | Картер | |
152 | У***1 | Шпилька | |
153 | У***4 | Переходник | |
156 | У***2 | Прокладка | |
157 | У***3 | Прокладка | |
157 | У***1 | Прокладка | |
159 | У***1 | Диск | |
162 | Т***8 | Шайба | |
165 | У***6 | Заглушка | |
169 | У***2 | Заглушка | |
175 | М***5 | Болт | |
178 | М***5 | Болт | |
179 | М***5 | Болт | |
180 | М***5 | Болт | |
186 | М***5 | Болт | |
188 | М***5 | Болт | |
190 | М***5 | Болт | |
191 | М***5 | Болт | |
192 | М***5 | Болт | |
193 | М***5 | Болт | |
194 | М***5 | Болт | |
195 | М***5 | Болт | |
196 | М***5 | Болт | |
197 | 3***5 | Болт | |
198 | М***5 | Болт | |
200 | М***5 | Винт | |
202 | М***5 | Болт | |
204 | М***5 | Гайка | |
206 | М***5 | Гайка | |
209 | М***5 | Гайка | |
220 | 8***5 | Шайба | |
222 | 1***5 | Шайба | |
225 | 1***5 | Шайба | |
233 | М***5 | Шпилька | |
235 | 2***9 | Шпилька | |
236 | 2***9 | Шпилька | |
237 | 2***9 | Шпилька | |
238 | 2***9 | Шпилька | |
243 | 1***5 | Штифт | |
250 | В***6 | Кольцо | |
252 | В***5 | Кольцо | |
253 | В***5 | Кольцо стопорное | |
254 | В***5 | Кольцо | |
257 | В***0 | Кольцо | |
258 | В***5 | Кольцо | |
274 | 1***4 | Манжета | |
277 | 1***8 | Подшипник | |
280 | 2***К | Подшипник | |
282 | 3***1 | Подшипник | |
285 | 5***1 | Подшипник | |
288 | 7***0 | Пломба свинцовая | |
291 | 1***3 | Прокладка | |
293 | 2***3 | Прокладка | |
294 | 7***0 | Шарик | |
295 | Б***0 | Шарик | |
298 | 3***6 | Рукав | |
301 | В***1 | Выключатель | |
302 | Д***Ж | Датчик | |
303 | 4***C | Электрический переключатель давления | |
304 | T***2 | Зажим | |
306 | 1***0 | О-Кольцо | |
307 | 1***0 | О-кольцо DICHTOMATIK | |
308 | 1***0 | О-кольцо DICHTOMATIK | |
309 | 2***0 | О-кольцо DICHTOMATIK | |
310 | 3***0 | О-кольцо DICHTOMATIK | |
311 | 3***0 | О-кольцо | |
312 | 4***0 | О-кольцо DICHTOMATIK | |
325 | B***0 | Манжета | |
334 | Н***3 | Насос | |
334 | Н***R | Насос шестеренный | |
335 | Н***3 | Насос | |
338 | Н***3 | Насос | |
338 | Н***8 | Насос шестеренный | |
339 | Н***3 | Насос | |
341 | Д***7 | Преобразователь частоты | |
350 | 1***I | Проволока |
Содержащиеся в справочниках-каталогах запасные части и детали не предлагаются к продаже, а носят исключительно информационный характер. В демо-версии артикулы (номера деталей) скрыты. Если вы хотите видеть полные оригинальные номера запчастей, вам необходимо зарегистрироваться на нашем сайте и приобрести подписку по интересующей вас конфигурации, после этого вы сможете встроить онлайн-каталоги на ваш сайт или пользоваться ими из личного кабинета нашего сайта. Обращаем ваше внимание на то, что каталоги содержат информацию об оригинальных заводских номерах и названиях запчастей. База по аналогам в данный момент не реализована. Поиска по VIN-номерам в онлайн-каталоге не предусмотрено. Выбор конкретного каталога осуществляется путем открытия нужного типа техники, марки, модели с учетом года выпуска или модификации.