Каталог запасных частей к технике: Амкодор Т400-70 (2020). Редуктор отбора мощности 540-70.16.20.000-б
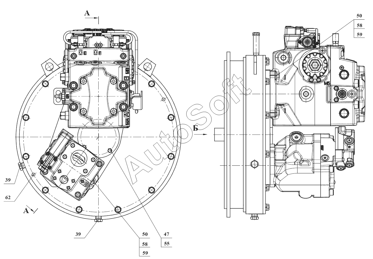
58
58
39
39
47
50
50
55
59
59
62
| Позиция на иллюстрации | Заводской номер детали | Название детали | |
|---|---|---|---|
| 1 | 5***Б | Корпус | |
| 2 | 5***Б | Крышка | |
| 3 | В***0 | Сапун | |
| 7 | 3***1 | Кольцо | |
| 8 | 3***4 | Планка стопорная | |
| 9 | 3***5 | Планка стопорная | |
| 10 | 3***8 | Крышка | |
| 11 | 3***9 | Кольцо | |
| 13 | 3***5 | Планка стопорная | |
| 22 | 5***Б | Шестерня | |
| 24 | 5***Б | Шестерня | |
| 25 | 5***4 | Крышка | |
| 26 | 5***5 | Кожух | |
| 27 | 5***Б | Шестерня | |
| 31 | 5***1 | Втулка | |
| 32 | 5***Б | Вал | |
| 33 | 5***3 | Крышка | |
| 34 | 5***4 | Втулка | |
| 35 | 5***5 | Крышка | |
| 39 | У***5 | Заглушка | |
| 45 | М***5 | Болт | |
| 47 | М***5 | Болт | |
| 48 | М***5 | Болт | |
| 50 | М***5 | Болт | |
| 55 | 8***5 | Шайба | |
| 57 | 1***5 | Шайба | |
| 58 | 1***5 | Шайба | |
| 59 | С***5 | Шайба | |
| 62 | 1***2 | Штифт | |
| 68 | 1***1 | Mанжета | |
| 70 | 2***0 | Подшипник | |
| 71 | 2***2 | Подшипник | |
| 72 | 3***8 | Подшипник | |
| 79 | H***F | Насос | |
| 80 | J***N | Насос |
Содержащиеся в справочниках-каталогах запасные части и детали не предлагаются к продаже, а носят исключительно информационный характер. В демо-версии артикулы (номера деталей) скрыты. Если вы хотите видеть полные оригинальные номера запчастей, вам необходимо зарегистрироваться на нашем сайте и приобрести подписку по интересующей вас конфигурации, после этого вы сможете встроить онлайн-каталоги на ваш сайт или пользоваться ими из личного кабинета нашего сайта. Обращаем ваше внимание на то, что каталоги содержат информацию об оригинальных заводских номерах и названиях запчастей. База по аналогам в данный момент не реализована. Поиска по VIN-номерам в онлайн-каталоге не предусмотрено. Выбор конкретного каталога осуществляется путем открытия нужного типа техники, марки, модели с учетом года выпуска или модификации.