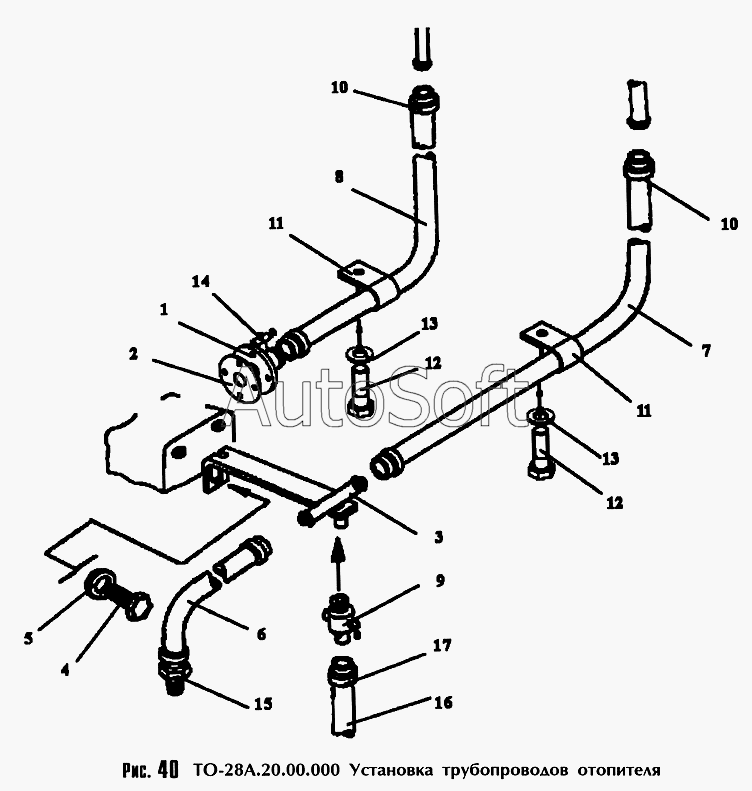
Каталог запасных частей к технике: Амкодор-342С (2006). Установка трубопроводов отопителя ТО-28А.20.00.000
9
17
16
15
14
13
13
12
12
11
11
10
10
1
8
7
6
5
4
3
2
| Позиция на иллюстрации | Заводской номер детали | Название детали | |
|---|---|---|---|
| 1 | Т***0 | Фланец | |
| 2 | Т***1 | Прокладка | |
| 3 | Т***0 | Тройник | |
| 4 | М***6 | Болт | |
| 5 | 1***2 | Шайба | |
| 6 | 1***2 | Рукав (L=850мм) | |
| 7 | 1***2 | Рукав (L=850мм) | |
| 8 | 1***2 | Рукав (L=850мм) | |
| 9 | К***0 | Кран | |
| 10 | 1***2 | Зажим | |
| 11 | Т***1 | Хомут | |
| 12 | М***8 | Болт | |
| 13 | 6***2 | Шайба | |
| 14 | Т***0 | Кран | |
| 15 | Т***2 | Штуцер | |
| 16 | 1***2 | Рукав (L=650мм) | |
| 17 | 1***2 | Зажим TORRO |
Содержащиеся в справочниках-каталогах запасные части и детали не предлагаются к продаже, а носят исключительно информационный характер. В демо-версии артикулы (номера деталей) скрыты. Если вы хотите видеть полные оригинальные номера запчастей, вам необходимо зарегистрироваться на нашем сайте и приобрести подписку по интересующей вас конфигурации, после этого вы сможете встроить онлайн-каталоги на ваш сайт или пользоваться ими из личного кабинета нашего сайта. Обращаем ваше внимание на то, что каталоги содержат информацию об оригинальных заводских номерах и названиях запчастей. База по аналогам в данный момент не реализована. Поиска по VIN-номерам в онлайн-каталоге не предусмотрено. Выбор конкретного каталога осуществляется путем открытия нужного типа техники, марки, модели с учетом года выпуска или модификации.