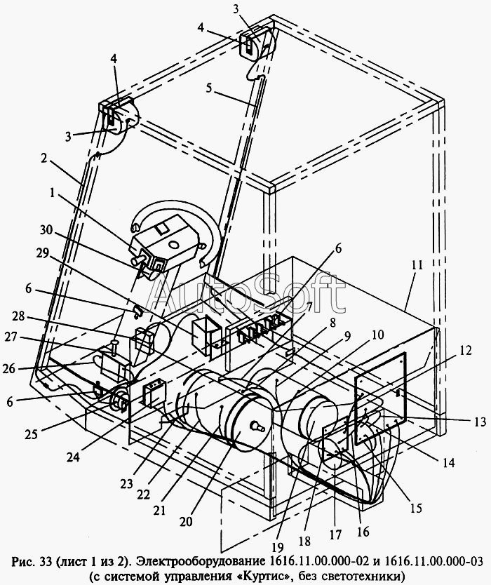
Каталог запасных частей к технике: МЗИК ЭП-1616. Электрооборудование (с системой управления «Куртис», без светотехники)
15
30
29
28
27
26
25
24
23
22
21
20
19
18
17
16
1
14
13
12
11
11
10
9
8
7
6
6
6
5
4
4
3
3
3
2
| Позиция на иллюстрации | Заводской номер детали | Название детали | |
|---|---|---|---|
| 1 | 1***6 | Панель | |
| 2 | 1***0 | Жгут | |
| 3 | Ф***} | Фара 5103.3711 {ТУ 37.003.1286-86} | |
| 3 | Ф***} | Фара 5503.3711 {ТУ 37.458.062-89} | |
| 4 | 1***1 | Кронштейн | |
| 5 | 1***2 | Жгут | |
| 6 | М***} | Микровыключатель МП1105Л УХЛ3.011А {ТУ 16-526.329-78} | |
| 7 | 1***5 | Провод | |
| 8 | 1***4 | Провод | |
| 9 | 1***3 | Провод | |
| 10 | 1***7 | Провод | |
| 11 | 1***1 | Батарея аккумуляторная (АБ) щелочная | |
| 11 | 1***1 | Батарея аккумуляторная (АБ) кислотная | |
| 12 | 1***2 | Провод | |
| 13 | 1***0 | Провод | |
| 14 | 1***1 | Провод | |
| 15 | 1***0 | Блок управления | |
| 16 | 1***0 | Провод | |
| 17 | Э***} | Электродвигатель ЭД-01 {ТУ 24.05.10.100-93} | |
| 18 | 1***0 | Блок контакторов | |
| 19 | Э***} | Электродвигатель ПН7,5 {ТУ 75-005-07514015-95} | |
| 20 | Э***} | Электродвигатель ДПТ6,0 У2 {ЖАИЕ.527324.001 ТУ} | |
| 21 | 1***6 | Провод | |
| 22 | 1***8 | Провод | |
| 23 | 1***7 | Скоба | |
| 24 | 1***0 | Розетка | |
| 25 | З***} | Звуковой сигнальный прибор 20.3721-01 {ТУ 37.003.1388-89} | |
| 26 | 1***1 | Провод | |
| 27 | В***} | Выключатель ВКЭ-250У2 {ТУ 16-92 ИГФР.642541.001 ТУ} | |
| 28 | 1***0 | Жгут | |
| 29 | 1***0 | Привод акселератора | |
| 30 | С***} | Счетчик времени наработки СВН-2-01 {ТУ 25-1865.081-87} |
Содержащиеся в справочниках-каталогах запасные части и детали не предлагаются к продаже, а носят исключительно информационный характер. В демо-версии артикулы (номера деталей) скрыты. Если вы хотите видеть полные оригинальные номера запчастей, вам необходимо зарегистрироваться на нашем сайте и приобрести подписку по интересующей вас конфигурации, после этого вы сможете встроить онлайн-каталоги на ваш сайт или пользоваться ими из личного кабинета нашего сайта. Обращаем ваше внимание на то, что каталоги содержат информацию об оригинальных заводских номерах и названиях запчастей. База по аналогам в данный момент не реализована. Поиска по VIN-номерам в онлайн-каталоге не предусмотрено. Выбор конкретного каталога осуществляется путем открытия нужного типа техники, марки, модели с учетом года выпуска или модификации.