Каталог запасных частей к технике: ДЭЗ ФД-500. Общий вид ФД
10
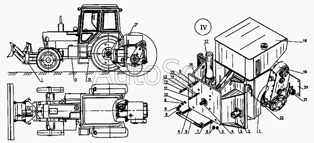
22
21
20
19
18
17
16
15
14
13
12
11
9
8
8
7
6
6
5
5
5
4
3
2
1
| Позиция на иллюстрации | Заводской номер детали | Название детали | |
|---|---|---|---|
| ЭТЦ-1609.15.00.000 | Э***0 | Рама | |
| ЭТЦ-1609.16.00.000 | Э***0 | Бульдозер | |
| ЭТЦ-1609.31.00.000 | Э***0 | Ходоуменьшитель | |
| 1 | Ф***0 | Корпус фрезы | |
| 2 | Ф***0 | Рама | |
| 3 | Ф***0 | Установка гидроцилиндров | |
| 4 | Ф***0 | Кардан | |
| 5 | Ш***] | Шайба 24.65 Г | |
| 6 | Г***] | Гайка М24.5 | |
| 7 | Ф***1 | Стяжка | |
| 8 | Э***9 | Палец | |
| 9 | Э***5 | Пробка | |
| 10 | 0***4 | Прокладка 20 | |
| 11 | Э***9 | Шпилька | |
| 12 | Э***8 | Шпилька | |
| 13 | Ш***6 | Шайба ШП-16 | |
| 14 | Г***5 | Гайка ГШП 1 М16х1.5 | |
| 15 | Э***5 | Втулка | |
| 16 | Э***7 | Гайка | |
| 17 | Ф***0 | Гидросистема | |
| 18 | Ф***0 | Система водообеспечения | |
| 19 | Ф***0 | Трансмиссия | |
| 20 | Ф***0 | Стенка задняя | |
| 21 | Ф***0 | Установка катков опорных | |
| 22 | Ф***0 | Установка фиксатора |
Содержащиеся в справочниках-каталогах запасные части и детали не предлагаются к продаже, а носят исключительно информационный характер. В демо-версии артикулы (номера деталей) скрыты. Если вы хотите видеть полные оригинальные номера запчастей, вам необходимо зарегистрироваться на нашем сайте и приобрести подписку по интересующей вас конфигурации, после этого вы сможете встроить онлайн-каталоги на ваш сайт или пользоваться ими из личного кабинета нашего сайта. Обращаем ваше внимание на то, что каталоги содержат информацию об оригинальных заводских номерах и названиях запчастей. База по аналогам в данный момент не реализована. Поиска по VIN-номерам в онлайн-каталоге не предусмотрено. Выбор конкретного каталога осуществляется путем открытия нужного типа техники, марки, модели с учетом года выпуска или модификации.