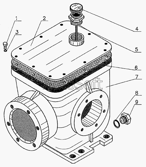
Каталог запасных частей к технике: ДЭЗ ФД-500. Редуктор угловой
1
2
3
4
5
6
7
8
9
| Позиция на иллюстрации | Заводской номер детали | Название детали | |
|---|---|---|---|
| 1 | Б***] | Болт М10-8gх25.36 | |
| 2 | Ф***0 | Крышка | |
| 3 | Ш***] | Шайба пружинная 10.65 Г | |
| 4 | Б***2 | Крышка | |
| 5 | Ф***0 | Маслоуказатель | |
| 6 | Ф***1 | Прокладка | |
| 7 | Ф***2 | Корпус | |
| 8 | Э***1 | Прокладка | |
| 9 | Э***0 | Пробка |
Содержащиеся в справочниках-каталогах запасные части и детали не предлагаются к продаже, а носят исключительно информационный характер. В демо-версии артикулы (номера деталей) скрыты. Если вы хотите видеть полные оригинальные номера запчастей, вам необходимо зарегистрироваться на нашем сайте и приобрести подписку по интересующей вас конфигурации, после этого вы сможете встроить онлайн-каталоги на ваш сайт или пользоваться ими из личного кабинета нашего сайта. Обращаем ваше внимание на то, что каталоги содержат информацию об оригинальных заводских номерах и названиях запчастей. База по аналогам в данный момент не реализована. Поиска по VIN-номерам в онлайн-каталоге не предусмотрено. Выбор конкретного каталога осуществляется путем открытия нужного типа техники, марки, модели с учетом года выпуска или модификации.