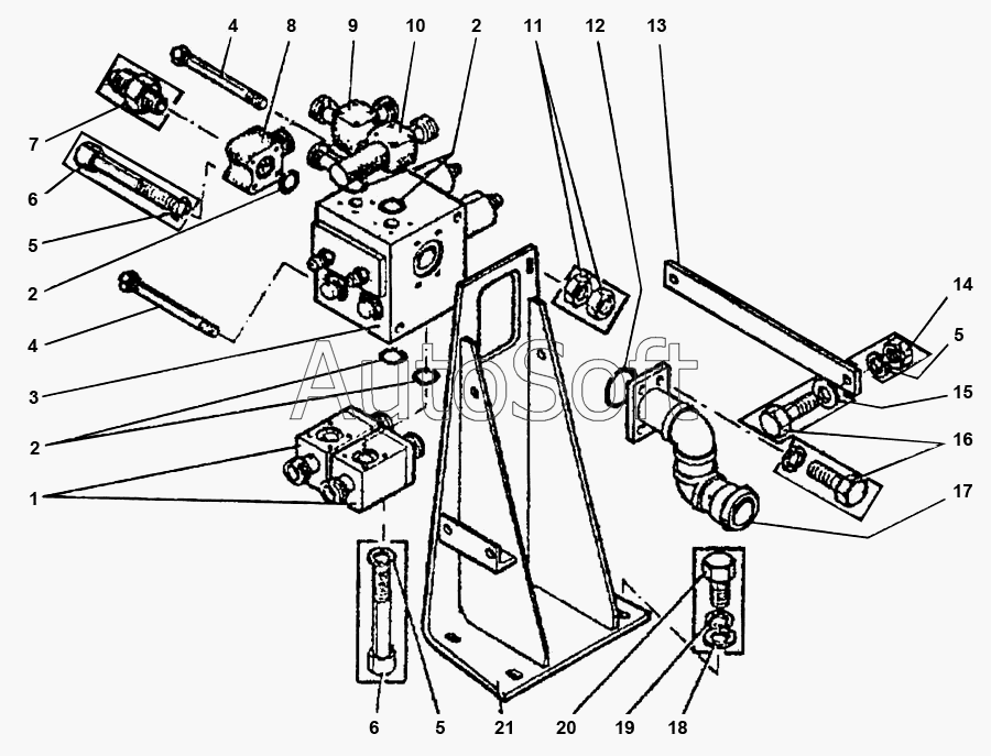
Каталог запасных частей к технике: ВЭКС ЭО-5225 (2009). ЭО-5221.09.37.000 Установка гидроаппарата
11
21
20
19
18
17
16
15
14
13
12
1
10
9
8
7
6
6
5
5
5
4
4
3
2
2
2
| Позиция на иллюстрации | Заводской номер детали | Название детали | |
|---|---|---|---|
| 1 | Э***1 | Клапан обратный | |
| 2 | 9***5 | Кольцо | |
| 3 | Э***1 | Гидроаппарат регулирующий | |
| 4 | Э***0 | Шпилька | |
| 5 | 6***2 | Шайба | |
| 6 | 1***0 | Винт | |
| 7 | Э***4 | Штуцер | |
| 8 | Э***1 | Фланец | |
| 9 | Э***5 | Фланец | |
| 10 | Э***0 | Тройник | |
| 11 | 5***6 | Гайка | |
| 12 | 9***0 | Кольцо | |
| 13 | Э***1 | Планка | |
| 14 | 5***2 | Гайка | |
| 15 | 1***2 | Шайба | |
| 16 | 7***5 | Болт | |
| 17 | Э***0 | Патрубок | |
| 18 | 1***6 | Шайба | |
| 19 | 6***6 | Шайба | |
| 20 | 7***0 | Болт | |
| 21 | Э***0 | Кронштейн |
Содержащиеся в справочниках-каталогах запасные части и детали не предлагаются к продаже, а носят исключительно информационный характер. В демо-версии артикулы (номера деталей) скрыты. Если вы хотите видеть полные оригинальные номера запчастей, вам необходимо зарегистрироваться на нашем сайте и приобрести подписку по интересующей вас конфигурации, после этого вы сможете встроить онлайн-каталоги на ваш сайт или пользоваться ими из личного кабинета нашего сайта. Обращаем ваше внимание на то, что каталоги содержат информацию об оригинальных заводских номерах и названиях запчастей. База по аналогам в данный момент не реализована. Поиска по VIN-номерам в онлайн-каталоге не предусмотрено. Выбор конкретного каталога осуществляется путем открытия нужного типа техники, марки, модели с учетом года выпуска или модификации.