Каталог запасных частей к технике: ВЭКС ЭО-5225 (2009). ЭО-5225.01.00.000 Тележка гусеничная
12
12
22
21
20
19
18
17
16
15
14
13
1
11
11
10
9
8
7
6
5
4
3
2
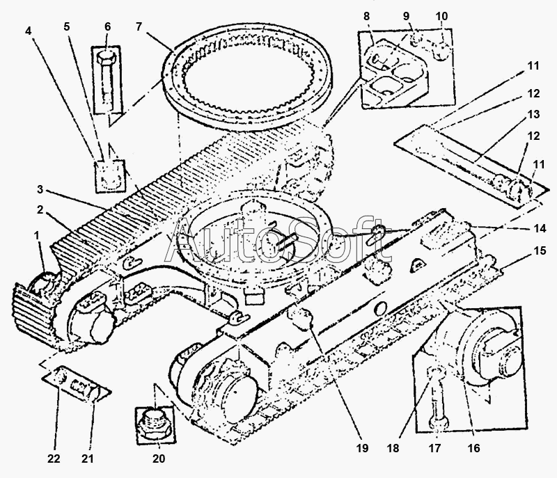
| Позиция на иллюстрации | Заводской номер детали | Название детали | |
|---|---|---|---|
| 1 | Э***0 | Привод хода | |
| 2 | Э***0 | Рама хода | |
| 3 | Э***1 | Трубопроводы гусеничной тележки | |
| 4 | Э***6 | Гайка | |
| 5 | 6***7 | Шайба | |
| 6 | Э***1 | Болт | |
| 7 | 1***8 | Опора | |
| 8 | Э***8 | Ступенька | |
| 9 | 6***0 | Шайба | |
| 10 | Э***1 | Болт | |
| 11 | У***6 | Кольцо | |
| 12 | У***3 | Шайба замыкающая | |
| 13 | У***4 | Палец замыкающий | |
| 14 | Э***0 | Колесо натяжное с механизмом сдавания | |
| 15 | Э***0 | Гусеница | |
| 16 | Э***1 | Каток опорный | |
| 17 | Э***4 | Болт | |
| 18 | Э***6 | Шайба | |
| 19 | Э***2 | Каток поддерживающий | |
| 20 | Э***4 | Пробка | |
| 21 | 7***5 | Болт | |
| 22 | 6***2 | Шайба |
Содержащиеся в справочниках-каталогах запасные части и детали не предлагаются к продаже, а носят исключительно информационный характер. В демо-версии артикулы (номера деталей) скрыты. Если вы хотите видеть полные оригинальные номера запчастей, вам необходимо зарегистрироваться на нашем сайте и приобрести подписку по интересующей вас конфигурации, после этого вы сможете встроить онлайн-каталоги на ваш сайт или пользоваться ими из личного кабинета нашего сайта. Обращаем ваше внимание на то, что каталоги содержат информацию об оригинальных заводских номерах и названиях запчастей. База по аналогам в данный момент не реализована. Поиска по VIN-номерам в онлайн-каталоге не предусмотрено. Выбор конкретного каталога осуществляется путем открытия нужного типа техники, марки, модели с учетом года выпуска или модификации.