Каталог запасных частей к технике: ВЭКС ЭО-5225 (2009). ЭО-5221.04.17.200 Золотник сливной
1
2
3
3
4
4
5
6
7
8
9
10
11
12
13
14
15
15
16
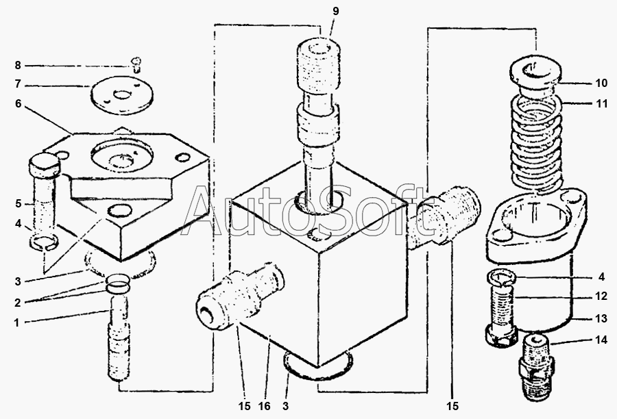
| Позиция на иллюстрации | Заводской номер детали | Название детали | |
|---|---|---|---|
| 1 | Э***3 | Толкатель | |
| 2 | 9***5 | Кольцо | |
| 3 | 9***6 | Кольцо | |
| 4 | 6***2 | Шайба | |
| 5 | 7***0 | Болт | |
| 6 | Э***1 | Крышка | |
| 7 | Э***4 | Крышка | |
| 8 | 1***8 | Винт | |
| 9 | Э***2 | Золотник | |
| 10 | Э***4 | Втулка | |
| 11 | Э***1 | Пружина | |
| 12 | 7***0 | Болт | |
| 13 | Э***7 | Крышка | |
| 14 | Э***3 | Штуцер К1/4 | |
| 15 | Э***4 | Штуцер | |
| 16 | Э***1 | Корпус |
Содержащиеся в справочниках-каталогах запасные части и детали не предлагаются к продаже, а носят исключительно информационный характер. В демо-версии артикулы (номера деталей) скрыты. Если вы хотите видеть полные оригинальные номера запчастей, вам необходимо зарегистрироваться на нашем сайте и приобрести подписку по интересующей вас конфигурации, после этого вы сможете встроить онлайн-каталоги на ваш сайт или пользоваться ими из личного кабинета нашего сайта. Обращаем ваше внимание на то, что каталоги содержат информацию об оригинальных заводских номерах и названиях запчастей. База по аналогам в данный момент не реализована. Поиска по VIN-номерам в онлайн-каталоге не предусмотрено. Выбор конкретного каталога осуществляется путем открытия нужного типа техники, марки, модели с учетом года выпуска или модификации.