Каталог запасных частей к технике: ВЭКС ЭО-6123 (2000). ЭО-6123.02.00.000 Платформа
15
28
27
26
25
24
23
22
21
20
19
18
17
16
1
14
13
13
12
12
11
10
9
8
7
6
5
4
3
2
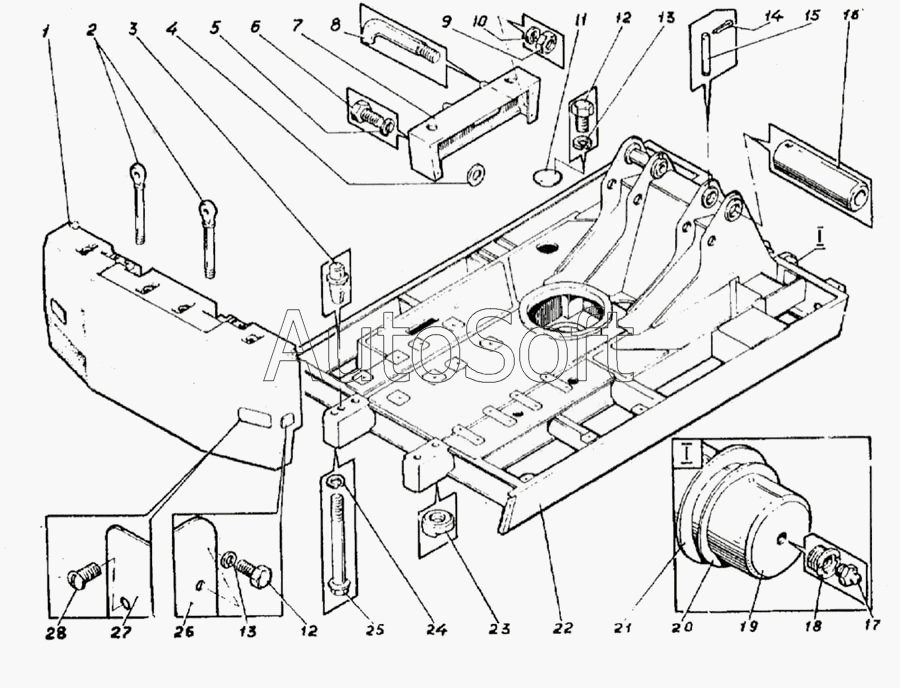
| Позиция на иллюстрации | Заводской номер детали | Название детали | |
|---|---|---|---|
| 1 | Э***0 | Противовес | |
| 2 | Э***0 | Тяга | |
| 3 | Э***2 | Штифт | |
| 4 | 1***6 | Шайба | |
| 5 | 6***6 | Шайба | |
| 6 | 7***5 | Болт | |
| 7 | Э***0 | Балкон | |
| 8 | Э***7 | Поручень | |
| 9 | 5***2 | Гайка | |
| 10 | 6***2 | Шайба | |
| 11 | Э***2 | Крышка | |
| 12 | 7***8 | Болт | |
| 13 | 6***8 | Шайба | |
| 14 | 3***3 | Шплинт | |
| 15 | Э***6 | Стопор | |
| 16 | Э***2 | Палец | |
| 17 | 1***3 | Масленка | |
| 18 | 0***8 | Переходник | |
| 19 | Э***8 | Палец | |
| 20 | Э***1 | Шайба | |
| 21 | Э***9 | Шайба | |
| 22 | Э***0 | Платформа | |
| 23 | Э***3 | Гайка | |
| 24 | 6***2 | Шайба | |
| 25 | Э***7 | Болт | |
| 26 | Э***5 | Крышка | |
| 27 | Э***2 | Крышка | |
| 28 | 1***0 | Винт |
Содержащиеся в справочниках-каталогах запасные части и детали не предлагаются к продаже, а носят исключительно информационный характер. В демо-версии артикулы (номера деталей) скрыты. Если вы хотите видеть полные оригинальные номера запчастей, вам необходимо зарегистрироваться на нашем сайте и приобрести подписку по интересующей вас конфигурации, после этого вы сможете встроить онлайн-каталоги на ваш сайт или пользоваться ими из личного кабинета нашего сайта. Обращаем ваше внимание на то, что каталоги содержат информацию об оригинальных заводских номерах и названиях запчастей. База по аналогам в данный момент не реализована. Поиска по VIN-номерам в онлайн-каталоге не предусмотрено. Выбор конкретного каталога осуществляется путем открытия нужного типа техники, марки, модели с учетом года выпуска или модификации.