Каталог запасных частей к технике: ТМЗ-8481.10-02 (2022). Механизм исполнительный 8481.1000178,8481.1000178-02,8481.1000178-04,8481.1000178-11,8481.1000179,8481.1000179-02,8481.1000179-04,8481.1000179-11
37
26
26
27
27
27
28
28
29
30
31
32
33
34
35
36
25
38
39
40
41
42
43
44
45
46
47
48
13
13
2
3
4
5
6
6
7
8
9
10
11
12
1
14
14
14
15
16
17
18
19
20
21
22
23
24
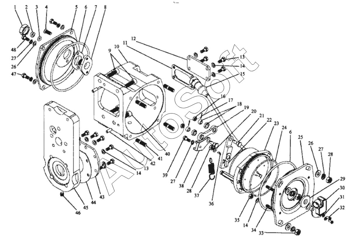
| Позиция на иллюстрации | Заводской номер детали | Название детали | |
|---|---|---|---|
| 1 | Э***2 | Гайка сальника | |
| 2 | Э***3 | Втулка сальника | |
| 3 | Э***4 | Прокладка | |
| 4 | 8***9 | Винт | |
| 5 | 1***2 | Крышка защитная | |
| 6 | 2***1 | Кольцо | |
| 7 | 1***2 | Прокладка корпуса сальника | |
| 8 | 1***0 | Корпус сальника | |
| 9 | 0***1 | Винт | |
| 10 | 1***0 | Кронштейн | |
| 11 | 1***1 | Прокладка крышки | |
| 12 | 1***0 | Крышка | |
| 13 | 1***1 | Болт | |
| 14 | 1***1 | Шайба | |
| 15 | 4***9 | Вилка | |
| 16 | 1***5 | Шайба | |
| 17 | 1***1 | Шплинт | |
| 18 | Ш***) | Подшипник шарнирный | |
| 19 | 1***2 | Тяга рейки | |
| 20 | 1***3 | Шайба коническая пружинная | |
| 21 | 3***7 | Палец | |
| 22 | 1***6 | Кривошип | |
| 23 | Э***0 | Электромагнит | |
| 24 | 8***8 | Кольцо уплотнительное | |
| 25 | 1***0 | Крышка установочная | |
| 26 | 1***1 | Шайба плоская | |
| 27 | 1***7 | Шайба пружинная | |
| 28 | 1***1 | Гайка | |
| 29 | 3***0 | Кольцо уплотнительное | |
| 30 | 4***7 | Бесконтактный датчик положения | |
| 31 | 1***1 | Шайба | |
| 32 | 3***7 | Винт | |
| 33 | Д***8 | Гайка | |
| 34 | 1***1 | Шпилька | |
| 35 | 1***1 | Гайка | |
| 36 | 3***4 | Шпонка | |
| 37 | 3***2 | Пружина | |
| 38 | 1***4 | Поводок рейки | |
| 39 | 3***1 | Болт | |
| 40 | 0***0 | Винт | |
| 41 | 1***1 | Шпилька | |
| 42 | 8***0 | Штифт | |
| 43 | 1***6 | Крышка | |
| 44 | 1***7 | Прокладка крышки | |
| 45 | 1***1 | Плита установочная | |
| 46 | Д***я | Заглушка | |
| 47 | 1***1 | Болт | |
| 48 | Д***7 | Болт |
Содержащиеся в справочниках-каталогах запасные части и детали не предлагаются к продаже, а носят исключительно информационный характер. В демо-версии артикулы (номера деталей) скрыты. Если вы хотите видеть полные оригинальные номера запчастей, вам необходимо зарегистрироваться на нашем сайте и приобрести подписку по интересующей вас конфигурации, после этого вы сможете встроить онлайн-каталоги на ваш сайт или пользоваться ими из личного кабинета нашего сайта. Обращаем ваше внимание на то, что каталоги содержат информацию об оригинальных заводских номерах и названиях запчастей. База по аналогам в данный момент не реализована. Поиска по VIN-номерам в онлайн-каталоге не предусмотрено. Выбор конкретного каталога осуществляется путем открытия нужного типа техники, марки, модели с учетом года выпуска или модификации.