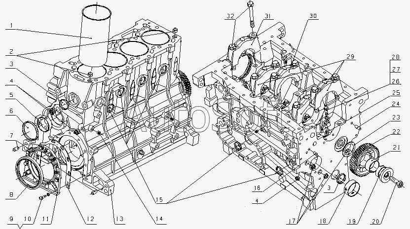
Каталог запасных частей к технике: Yuchai YC4E135-21 (E02D1) (2010). E0400-1002010 Блок цилиндров в сборе
25
17
18
19
20
21
22
23
24
16
26
27
28
29
30
31
32
8
2
3
3
4
4
5
6
7
8
8
1
9
10
11
12
13
14
15
| Позиция на иллюстрации | Заводской номер детали | Название детали | |
|---|---|---|---|
| 1 | 5***C | Гильза цилиндра | |
| 2 | 1***1 | Расположение подшипника | |
| 3 | 1***1 | Пробка шарового типа | |
| 4 | 1***A | Резьбовая пробка главной масляной магистрали | |
| 5 | 1***A | Втулка распредвала I | |
| 6 | 5***9 | Крышка осевого люфта распределительного вала | |
| 7 | 1***6 | Установочный штифт | |
| 8 | Y***L | Сальник 100х125 | |
| 8 | Y***L | Сальник 100х125 | |
| 8 | Y***L | Сальник 100х125 | |
| 9 | Q***8 | Шайба 8 | |
| 10 | Q***5 | Болт M8x25 | |
| 11 | 5***1 | Сиденье заднего сальника распредвала | |
| 12 | 1***A | Прокладка заднего сиденья сальника | |
| 13 | E***A | Корпус цилиндра | |
| 14 | Q***2 | Винтовая пробка NPT1/4 | |
| 15 | 1***9 | Пробка шарового типа | |
| 16 | 5***8 | Установочный штифт | |
| 17 | 1***3 | Пробка шарового типа | |
| 18 | 1***8 | Втулка распредвала II | |
| 19 | G***6 | Вал промежуточной шестерни | |
| 20 | 5***4 | Болт вала промежуточной шестерни | |
| 21 | 1***A | Втулка промежуточной шестерни | |
| 22 | 1***A | Антифрикционная пластина промежуточной шестерни | |
| 23 | 1***5 | Фрикционная пластина промежуточной шестерни | |
| 24 | 1***5 | Установочный штифт | |
| 25 | Y***2 | Цилиндрический штифт | |
| 26 | E***0 | Сварной наконечник | |
| 27 | 4***3 | Шайба | |
| 28 | G***A | Полый болт для масла | |
| 29 | 1***4 | Основная крышка подшипника | |
| 30 | 1***3 | Главная крышка подшипника осевого давления | |
| 31 | 1***4 | Основная крышка подшипника (Задняя) | |
| 32 | 5***7 | Болт основной крышки подшипника |
Содержащиеся в справочниках-каталогах запасные части и детали не предлагаются к продаже, а носят исключительно информационный характер. В демо-версии артикулы (номера деталей) скрыты. Если вы хотите видеть полные оригинальные номера запчастей, вам необходимо зарегистрироваться на нашем сайте и приобрести подписку по интересующей вас конфигурации, после этого вы сможете встроить онлайн-каталоги на ваш сайт или пользоваться ими из личного кабинета нашего сайта. Обращаем ваше внимание на то, что каталоги содержат информацию об оригинальных заводских номерах и названиях запчастей. База по аналогам в данный момент не реализована. Поиска по VIN-номерам в онлайн-каталоге не предусмотрено. Выбор конкретного каталога осуществляется путем открытия нужного типа техники, марки, модели с учетом года выпуска или модификации.