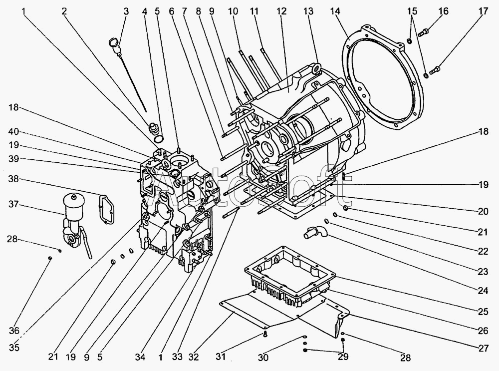
Каталог запасных частей к технике: ЧТЗ В-2Ч 8,2/7,8 (1995). КАРТЕР И УСТАНОВКА СУФЛЕРА
36
37
38
19
19
19
18
18
1
1
5
5
9
9
8
34
21
21
363.42.000-01
29
30
28
28
22
15
4
31
16
17
23
13
363.01.010-03
40
3
25
24
27
12
40
11
10
363.01.000-04
20
2
7
33
39
14
26
32
6
35
| Позиция на иллюстрации | Заводской номер детали | Название детали | |
|---|---|---|---|
| 363.01.000-04 | 3***4 | Картер | |
| 363.01.010-03 | 3***3 | Картер | |
| 363.42.000-01 | 3***1 | Установка суфлера | |
| 1 | 3***А | Шпилька М8х40 | |
| 2 | 3***8 | Проходник | |
| 3 | 3***0 | Линейка | |
| 4 | 3***3 | Кольцо 22-30 | |
| 5 | 3***5 | Шпилька М8х35 | |
| 6 | 3***9 | Шпилька М8х128 | |
| 7 | 3***2 | Шпилька М8х85 | |
| 8 | 3***7 | Шпилька М8х51 | |
| 9 | 3***2 | Шпилька М6х45 | |
| 10 | 3***1 | Шпилька крепления головки | |
| 11 | 3***4 | Шпилька крепления головки | |
| 12 | 3***3 | Картер | |
| 13 | 3***1 | Рым-болт М8 | |
| 14 | 3***8 | Бандаж | |
| 15 | 3***6 | Шайба 10Т | |
| 16 | М***8 | Болт | |
| 17 | М***8 | Болт | |
| 18 | 3***3 | Шпилька | |
| 19 | 3***2 | Шпилька М6х26 | |
| 20 | 3***6 | Прокладка | |
| 21 | 3***1 | Гайка М8 | |
| 22 | 3***4 | Шайба 8Т | |
| 23 | 3***1 | Шайба | |
| 24 | 3***0 | Труба | |
| 25 | 3***0 | Поддон | |
| 26 | 3***3 | Втулка | |
| 27 | 3***0 | Кожух | |
| 28 | 3***3 | Шайба 6Т | |
| 29 | 3***2 | Гайка М6 | |
| 30 | 3***1 | Шайба чистая 6 | |
| 31 | М***9 | Винт В | |
| 32 | 3***6 | Щиток | |
| 33 | 3***3 | Шпилька М8х66 | |
| 34 | 3***4 | Шпилька М10x42 | |
| 35 | 3***2 | Втулка | |
| 36 | 3***6 | Гайка М6 | |
| 37 | 3***1 | Суфлер | |
| 38 | 3***7 | Прокладка | |
| 39 | 3***5 | Втулка | |
| 40 | 3***2 | Корпус | |
| 40 | 3***2 | Корпус |
Содержащиеся в справочниках-каталогах запасные части и детали не предлагаются к продаже, а носят исключительно информационный характер. В демо-версии артикулы (номера деталей) скрыты. Если вы хотите видеть полные оригинальные номера запчастей, вам необходимо зарегистрироваться на нашем сайте и приобрести подписку по интересующей вас конфигурации, после этого вы сможете встроить онлайн-каталоги на ваш сайт или пользоваться ими из личного кабинета нашего сайта. Обращаем ваше внимание на то, что каталоги содержат информацию об оригинальных заводских номерах и названиях запчастей. База по аналогам в данный момент не реализована. Поиска по VIN-номерам в онлайн-каталоге не предусмотрено. Выбор конкретного каталога осуществляется путем открытия нужного типа техники, марки, модели с учетом года выпуска или модификации.