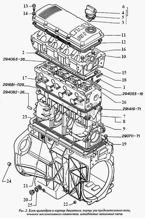
Каталог запасных частей к технике: ГАЗ-560 (2004). Блок цилиндров и картер двигателя, корпус распределительного вала, крышка маслоналивного отверстия, штифтовые запальные свечи
17
294063-26
291681-П29
294082-26
294053-16
291419-71
290711-71
26
25
24
23
22
21
20
19
18
1
16
15
14
13
12
11
10
9
8
7
6
5
4
3
2
| Позиция на иллюстрации | Заводской номер детали | Название детали | |
|---|---|---|---|
| 290711-71 | 2***1 | Болт Мбх 12 (9000287/0) | |
| 291419-71 | 2***1 | Шпилька М8х35 (3812435/0) | |
| 291681-П29 | 2***9 | Шпилька М6-4hх18 | |
| 294053-16 | 2***6 | Штифт 6х30 | |
| 294063-26 | 2***6 | Штифт 8х18 | |
| 294082-26 | 2***6 | Штифт 10х20 | |
| 1 | 2***3 | Штифтовая запальная свеча ВЕRU SR-5 (560.103701 ОДС) | |
| 2 | 2***А | Прокладка корпуса распределительного вала | |
| 3 | 4***0 | Планка запорная крышки | |
| 4 | 4***4 | Корпус крышки маслоналивного патрубка | |
| 5 | 5***9 | Прокладка крышки | |
| 6 | 4***6 | Крышка маслоналивного патрубка в сборе | |
| 7 | 5***9 | Блок цилиндров в сборе (2203233/2) | |
| 8 | 5***0 | Блок цилиндров (2203232/2) | |
| 9 | 5***3 | Клапан масляного охлаждения | |
| 10 | 5***0 | Корпус распределительного вала (2203269/5) | |
| 11 | 5***5 | Крышка корпуса распределительного вала (22035000/1) | |
| 12 | 5***6 | Прокладка крышки корпуса распределительного вала | |
| 13 | 5***5 | Болт крепления крышки корпуса (2040204/0) | |
| 14 | 5***6 | Шайба резиновая (2203565/0) | |
| 15 | 5***6 | Болт М8х 110 (9000248/0) | |
| 16 | 5***7 | Болт М8х 130 | |
| 17 | 5***1 | Шпилька М8х30 | |
| 18 | 5***2 | Шпилька М8х 25 | |
| 19 | 5***5 | Картер двигателя (2203405/2) | |
| 20 | 5***0 | Пробка резьбовая | |
| 21 | 5***5 | Пробка резиновая картера (2173349/0) | |
| 22 | 5***7 | Втулка установочная (2203543/0) | |
| 23 | 5***0 | Рамочное уплотнение с планкой (2040137/2) | |
| 24 | 5***7 | Втулка установочная (2170298/0) | |
| 25 | 5***7 | Шайба | |
| 26 | 5***1 | Шпилька насос-форсунки (2174321 /1) |
Содержащиеся в справочниках-каталогах запасные части и детали не предлагаются к продаже, а носят исключительно информационный характер. В демо-версии артикулы (номера деталей) скрыты. Если вы хотите видеть полные оригинальные номера запчастей, вам необходимо зарегистрироваться на нашем сайте и приобрести подписку по интересующей вас конфигурации, после этого вы сможете встроить онлайн-каталоги на ваш сайт или пользоваться ими из личного кабинета нашего сайта. Обращаем ваше внимание на то, что каталоги содержат информацию об оригинальных заводских номерах и названиях запчастей. База по аналогам в данный момент не реализована. Поиска по VIN-номерам в онлайн-каталоге не предусмотрено. Выбор конкретного каталога осуществляется путем открытия нужного типа техники, марки, модели с учетом года выпуска или модификации.