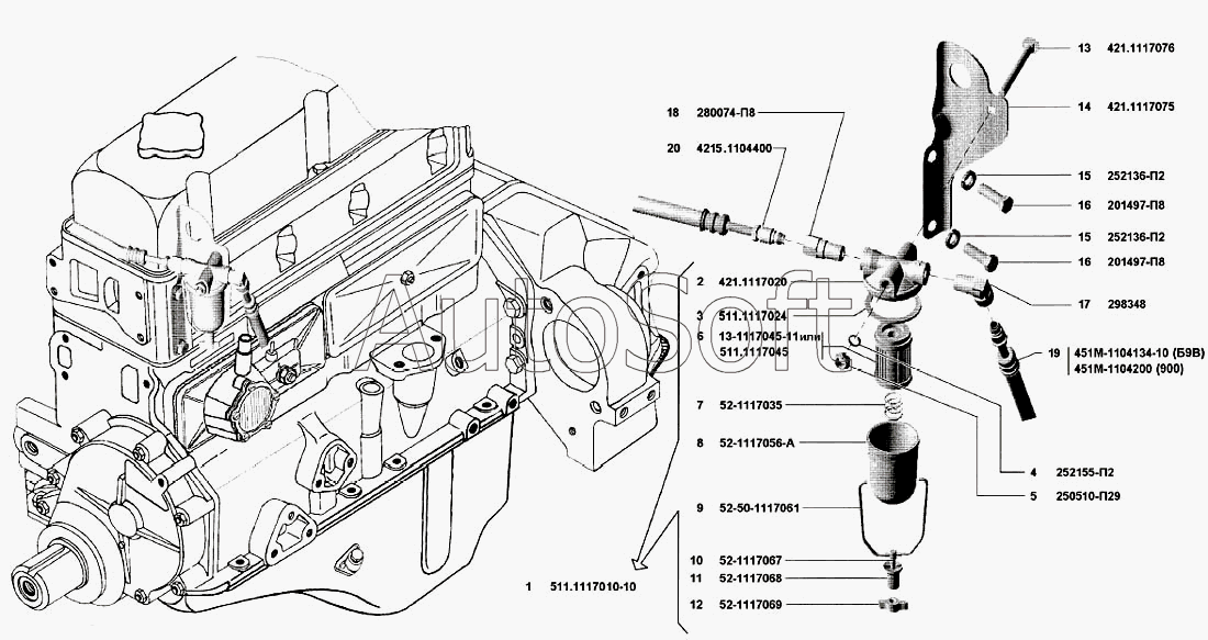
Каталог запасных частей к технике: УМЗ-4215 (2002). Трубопроводы топливные, фильтр тонкой очистки топлива
11
20
19
19
18
17
16
16
15
15
14
13
12
1
10
9
8
7
6
6
5
4
3
2
| Позиция на иллюстрации | Заводской номер детали | Название детали | |
|---|---|---|---|
| 1 | 5***0 | Фильтр тонкой очистки топлива в сборе | |
| 2 | 4***0 | Корпус фильтра тонкой очистки топлива | |
| 3 | 5***4 | Кольцо корпуса фильтра тонкой очистки топлива | |
| 4 | 2***2 | Шайба 8Л пружинная | |
| 5 | 2***9 | Гайка М8-6Н | |
| 6 | 1***1 | Элемент фильтрующий | |
| 6 | 1***1 | Элемент фильтрующий | |
| 7 | 5***5 | Пружина фильтрующего элемента фильтра тонкой очистки топлива | |
| 8 | 5***А | Стакан-отстойник фильтра тонкой очистки топлива | |
| 9 | 5***1 | Коромысло стакана фильтра тонкой очистки топлива с винтом в сборе | |
| 10 | 5***7 | Винт коромысла | |
| 11 | 5***8 | Держатель стакана фильтра тонкой очистки топлива | |
| 12 | 5***9 | Барашек винта коромысла фильтра тонкой очистки топлива | |
| 13 | 4***6 | Болт М8х70 | |
| 14 | 4***5 | Кронштейн крепления фильтра тонкой очистки топлива в сборе | |
| 15 | 2***2 | Шайба 10 ОТ пружинная | |
| 16 | 2***8 | Болт М10-6gх25 крепления кронштейна фильтра тонкой очистки топлива | |
| 17 | 2***8 | Штуцер угловой | |
| 18 | 2***П | Штуцер прямой | |
| 19 | 4***0 | Шланг бензинопровода с трубкой от бензонасоса к фильтру тонкой очистки топлива (Б9) | |
| 19 | 4***0 | Шланг бензинопровода с трубкой от бензонасоса к фильтру тонкой очистки топлива (900) | |
| 20 | 4***0 | Шланг бензинопровода с трубкой |
Содержащиеся в справочниках-каталогах запасные части и детали не предлагаются к продаже, а носят исключительно информационный характер. В демо-версии артикулы (номера деталей) скрыты. Если вы хотите видеть полные оригинальные номера запчастей, вам необходимо зарегистрироваться на нашем сайте и приобрести подписку по интересующей вас конфигурации, после этого вы сможете встроить онлайн-каталоги на ваш сайт или пользоваться ими из личного кабинета нашего сайта. Обращаем ваше внимание на то, что каталоги содержат информацию об оригинальных заводских номерах и названиях запчастей. База по аналогам в данный момент не реализована. Поиска по VIN-номерам в онлайн-каталоге не предусмотрено. Выбор конкретного каталога осуществляется путем открытия нужного типа техники, марки, модели с учетом года выпуска или модификации.