Каталог запасных частей к технике: BMW E30 M3 Gr.A/DTM BMWClassicMotorsport МКПП (1987). Масляный картер

1
1
1
1
2
2
2
2
3
3
3
3
4
4
5
5
5
5
5
5
5
5
6
6
6
6
6
6
7
7
7
7
8
8
8
8
9
9
9
9
9
9
9
9
9
9
10
10
11
11
12
12
13
13
14
14
14
14
14
14
15
15
16
16
17
17
18
18
18
18
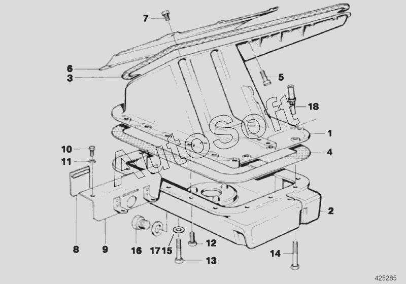
Позиция на иллюстрации | Заводской номер детали | Название детали | |
---|---|---|---|
07 11 9 905 543 | 0***3 | Гайка шестигранная | |
07 11 9 905 710 | 0***0 | Hex Nut | |
07 11 9 932 099 | 0***9 | Упругая шайба | |
11 13 1 308 358 | 1***8 | Масляный картер верхняя часть | |
11 13 1 308 358 | 1***8 | Масляный картер верхняя часть | |
11 13 1 310 837 | 1***7 | Масляный картер | |
11 13 1 310 837 | 1***7 | Масляный картер | |
11 13 1 311 391 | 1***1 | Картер для отстоявшегося масла | |
11 13 1 311 391 | 1***1 | Картер для отстоявшегося масла | |
11 13 1 311 510 | 1***0 | Крышка | |
11 13 1 314 089 | 1***9 | Масляный картер верхняя часть | |
11 13 1 314 089 | 1***9 | Масляный картер верхняя часть | |
11 13 1 314 778 | 1***8 | Распорная втулка | |
11 13 1 319 128 | 1***8 | Масляный картер верхняя часть | |
11 13 1 319 128 | 1***8 | Масляный картер верхняя часть | |
11 13 1 319 128 | 1***8 | Масляный картер верхняя часть | |
11 13 1 319 130 | 1***0 | Щиток | |
12 61 1 277 129 | 1***9 | Уплотнительное кольцо | |
32 72 2 333 059 | 3***9 | Винт с потайной головкой | |
51 00 2 201 187 | 5***7 | Гайка шестигранная самоконтрящаяся | |
1 | 1***8 | Масляный картер верхняя часть | |
1 | 1***8 | Масляный картер верхняя часть | |
2 | 1***7 | Масляный картер | |
2 | 1***1 | Картер для отстоявшегося масла | |
3 | 1***5 | Уплотн.прокладка масляного картера | |
3 | 1***1 | Щиток | |
4 | 1***4 | Уплотнительная прокладка | |
5 | 0***1 | Болт с шестигранной головкой с шайбой | |
5 | 0***1 | Болт с шестигранной головкой с шайбой | |
5 | 1***5 | Болт с шестигранной головкой | |
5 | 1***6 | Болт с шестигранной головкой | |
6 | 1***3 | Защитный щиток | |
6 | 1***8 | Успокоитель уровня масла | |
6 | 1***9 | Успокоитель уровня масла | |
7 | 0***8 | Болт с шестигранной головкой | |
7 | 0***8 | Болт с шестигранной головкой | |
8 | 1***8 | Обратная заслонка | |
8 | 1***8 | Обратная заслонка | |
9 | 1***7 | Крышка картера для отстоявшегося масла | |
9 | 1***9 | Щиток | |
9 | 1***0 | Щиток | |
9 | 1***6 | Щиток | |
9 | 1***2 | Защитный щиток | |
10 | 0***8 | Болт с шестигранной головкой | |
11 | 0***8 | Упругая шайба | |
12 | 0***1 | Болт с шестигранной головкой с шайбой | |
13 | 0***4 | Болт с шестигранной головкой с фланцем | |
14 | 0***7 | Болт с шестигранной головкой | |
14 | 0***4 | Болт с шестигранной головкой | |
14 | 2***9 | Болт с шестигранной головкой | |
15 | 0***9 | Упругая шайба | |
16 | 0***5 | Резьбовая пробка | |
17 | 0***9 | Уплотнительное кольцо | |
18 | 1***6 | Резьбовой штуцер | |
18 | 1***1 | Резьбовой штуцер | |
19 | 3***9 | Винт с потайной головкой |
Содержащиеся в справочниках-каталогах запасные части и детали не предлагаются к продаже, а носят исключительно информационный характер. В демо-версии артикулы (номера деталей) скрыты. Если вы хотите видеть полные оригинальные номера запчастей, вам необходимо зарегистрироваться на нашем сайте и приобрести подписку по интересующей вас конфигурации, после этого вы сможете встроить онлайн-каталоги на ваш сайт или пользоваться ими из личного кабинета нашего сайта. Обращаем ваше внимание на то, что каталоги содержат информацию об оригинальных заводских номерах и названиях запчастей. База по аналогам в данный момент не реализована. Поиска по VIN-номерам в онлайн-каталоге не предусмотрено. Выбор конкретного каталога осуществляется путем открытия нужного типа техники, марки, модели с учетом года выпуска или модификации.