Каталог запасных частей к технике: BMW 320d 3'E46 N (1999). Масляный фильтр смаз.сист.,теплообменник

1
1
1
1
2
2
2
2
3
3
3
3
4
4
5
5
5
5
6
6
6
6
7
7
7
7
8
8
8
8
8
8
8
8
8
8
8
8
8
8
8
8
9
9
9
9
10
10
11
11
12
12
13
13
14
14
15
15
16
16
17
17
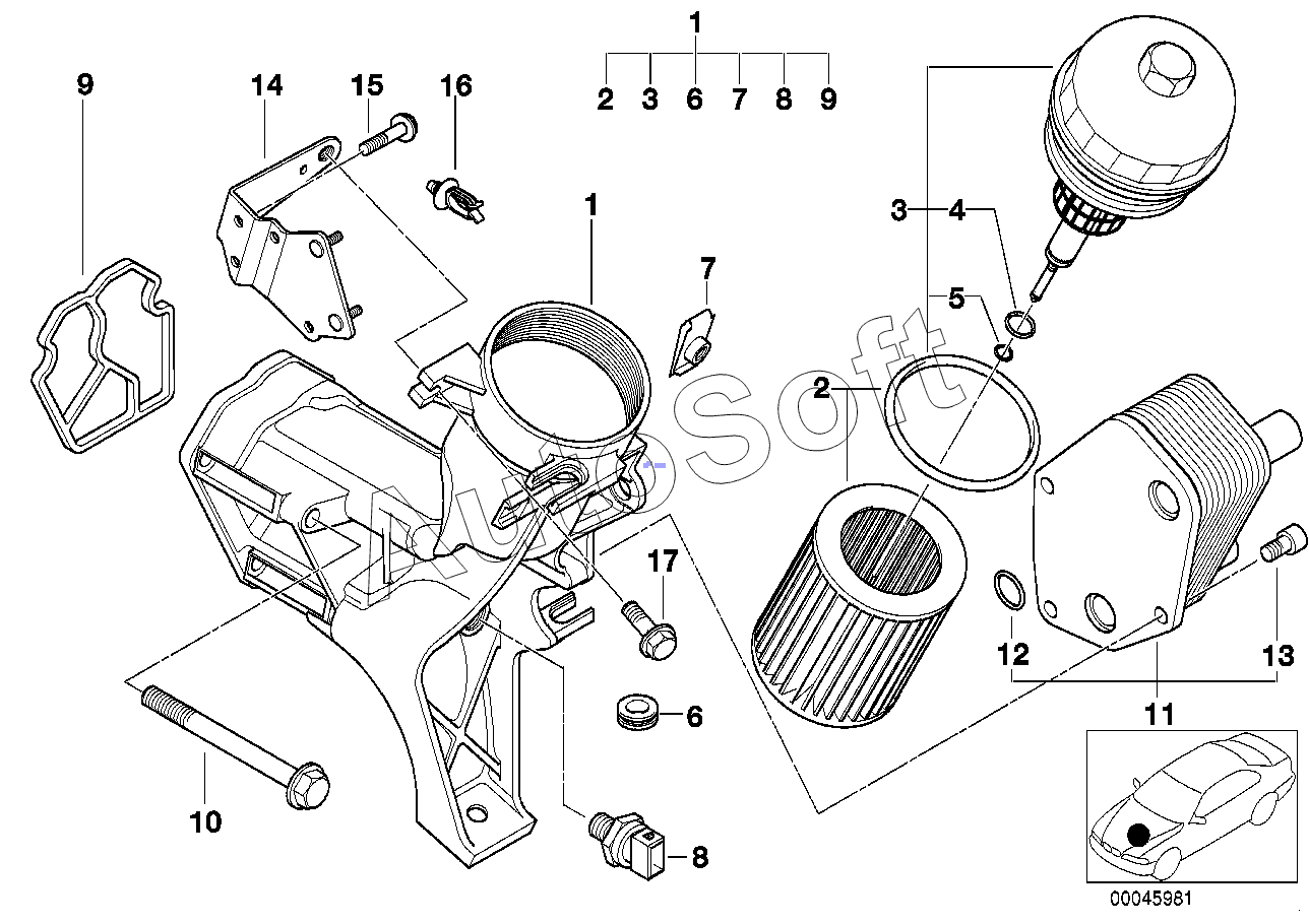
Позиция на иллюстрации | Заводской номер детали | Название детали | |
---|---|---|---|
11 42 2 247 649 | 1***9 | Болт с цилиндрической головкой | |
1 | 1***2 | Масляный фильтр с штуцер.масл.радиатора | |
2 | 1***8 | К-т сменного элемента масляного фильтра | |
3 | 1***4 | Крышка масляного фильтра | |
4 | 1***6 | Кольцо круглого сечения | |
5 | 1***1 | Кольцо круглого сечения | |
5 | 1***3 | Кольцо круглого сечения | |
6 | 1***2 | Резиновая втулка | |
7 | 1***1 | Гайка в держателе | |
8 | 1***1 | Выключатель индикатора давления масла | |
8 | 1***2 | Выключатель индикатора давления масла | |
8 | 1***2 | Выключатель индикатора давления масла | |
8 | 1***3 | Выключатель индикатора давления масла | |
9 | 1***6 | Профильная прокладка | |
10 | 0***6 | Болт с шестигранной головкой | |
11 | 1***5 | Теплообменник | |
12 | 1***7 | Уплотнительное кольцо | |
13 | 1***9 | Болт с цилиндрической головкой | |
14 | 1***2 | Кронштейн насоса гидроус.и масл.фильтра | |
15 | 1***6 | Болт с буртиком | |
16 | 6***8 | Держатель провода | |
17 | 0***9 | Болт с шестигранной головкой с шайбой |
Содержащиеся в справочниках-каталогах запасные части и детали не предлагаются к продаже, а носят исключительно информационный характер. В демо-версии артикулы (номера деталей) скрыты. Если вы хотите видеть полные оригинальные номера запчастей, вам необходимо зарегистрироваться на нашем сайте и приобрести подписку по интересующей вас конфигурации, после этого вы сможете встроить онлайн-каталоги на ваш сайт или пользоваться ими из личного кабинета нашего сайта. Обращаем ваше внимание на то, что каталоги содержат информацию об оригинальных заводских номерах и названиях запчастей. База по аналогам в данный момент не реализована. Поиска по VIN-номерам в онлайн-каталоге не предусмотрено. Выбор конкретного каталога осуществляется путем открытия нужного типа техники, марки, модели с учетом года выпуска или модификации.