Каталог запасных частей к технике: BMW 325i 3'E36 МКПП (1992). Водяной шланг системы охлаждения

1
1
2
2
3
3
3
3
3
3
4
4
4
4
4
4
5
5
6
6
7
7
7
7
7
7
8
8
8
8
8
8
8
8
9
9
9
9
10
10
11
11
12
12
12
12
13
13
14
14
15
15
15
15
15
15
15
15
15
15
16
16
16
16
17
17
18
18
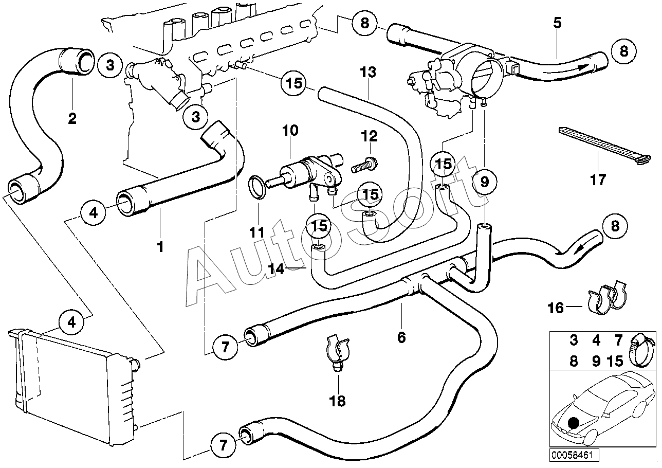
Позиция на иллюстрации | Заводской номер детали | Название детали | |
---|---|---|---|
1 | 1***0 | Водяной шланг | |
2 | 1***8 | Водяной шланг | |
3 | 0***1 | Хомут | |
4 | 0***9 | Хомут | |
5 | 6***3 | Шланг подвод.трубопр.двиг.-водян.клапан | |
6 | 1***5 | Шланг нагр.элемент-возвр.трубопр.двиг. | |
7 | 0***3 | Хомут | |
8 | 6***9 | Хомут | |
9 | 0***7 | Хомут | |
10 | 1***2 | Термостат | |
11 | 1***0 | Кольцо круглого сечения | |
12 | 0***4 | Болт с шестигранной головкой с шайбой | |
12 | 0***4 | Болт с шестигранной головкой с шайбой | |
13 | 1***3 | Водяной шланг | |
14 | 1***4 | Водяной шланг | |
15 | 1***9 | Хомут | |
16 | 1***2 | Держатель шланга | |
16 | 1***8 | Держатель штекера диагностич.разъема | |
17 | 6***4 | Бандаж | |
18 | 1***8 | Держатель штекера диагностич.разъема |
Содержащиеся в справочниках-каталогах запасные части и детали не предлагаются к продаже, а носят исключительно информационный характер. В демо-версии артикулы (номера деталей) скрыты. Если вы хотите видеть полные оригинальные номера запчастей, вам необходимо зарегистрироваться на нашем сайте и приобрести подписку по интересующей вас конфигурации, после этого вы сможете встроить онлайн-каталоги на ваш сайт или пользоваться ими из личного кабинета нашего сайта. Обращаем ваше внимание на то, что каталоги содержат информацию об оригинальных заводских номерах и названиях запчастей. База по аналогам в данный момент не реализована. Поиска по VIN-номерам в онлайн-каталоге не предусмотрено. Выбор конкретного каталога осуществляется путем открытия нужного типа техники, марки, модели с учетом года выпуска или модификации.