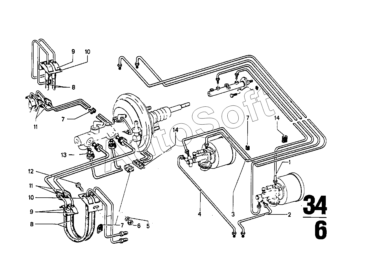
Каталог запасных частей к технике: BMW 3.0S 2500-3.3Li МКПП (1973). Трубопровод тормозного привода Пд

Позиция на иллюстрации | Заводской номер детали | Название детали | |
---|---|---|---|
1 | 3***5 | Трубопровод | |
1 | 3***0 | Трубопровод | |
2 | 3***9 | Трубопровод | |
2 | 3***5 | Трубопровод | |
3 | 3***8 | Трубопровод | |
3 | 3***1 | Трубопровод | |
3 | 3***9 | Трубопровод | |
3 | 3***2 | Трубопровод | |
4 | 3***8 | Трубопровод | |
4 | 3***4 | Трубопровод | |
4 | 3***2 | Трубопровод | |
4 | 3***2 | Трубопровод | |
5 | 0***5 | Упругая шайба | |
5 | 0***5 | Упругая шайба | |
6 | 0***2 | Гайка шестигранная | |
6 | 0***5 | Гайка шестигранная | |
6 | 0***6 | Гайка шестигранная | |
7 | 3***1 | Проставка | |
8 | 3***9 | Тормозной шланг | |
9 | 3***5 | Фиксирующая пружина | |
10 | 3***8 | Кронштейн П | |
10 | 3***4 | Держатель тормозного шланга | |
11 | 3***7 | Резиновая втулка | |
12 | 0***4 | Болт с шестигранной головкой | |
12 | 0***6 | Болт с шестигранной головкой | |
13 | 3***6 | Болт с накидной гайкой | |
14 | 3***2 | Держатель трубопровода тормоз.привода |
Содержащиеся в справочниках-каталогах запасные части и детали не предлагаются к продаже, а носят исключительно информационный характер. В демо-версии артикулы (номера деталей) скрыты. Если вы хотите видеть полные оригинальные номера запчастей, вам необходимо зарегистрироваться на нашем сайте и приобрести подписку по интересующей вас конфигурации, после этого вы сможете встроить онлайн-каталоги на ваш сайт или пользоваться ими из личного кабинета нашего сайта. Обращаем ваше внимание на то, что каталоги содержат информацию об оригинальных заводских номерах и названиях запчастей. База по аналогам в данный момент не реализована. Поиска по VIN-номерам в онлайн-каталоге не предусмотрено. Выбор конкретного каталога осуществляется путем открытия нужного типа техники, марки, модели с учетом года выпуска или модификации.