Каталог запасных частей к технике: Ford Fiesta Blues (2012). Гидроусилитель руля

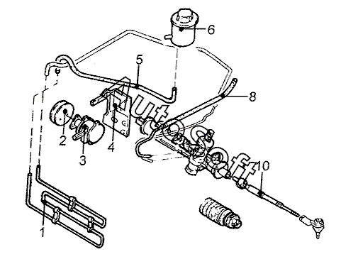
1
2
3
4
5
6
8
8
10
10
Позиция на иллюстрации | Заводской номер детали | Название детали | |
---|---|---|---|
1 | 7***7 | Радиатор масляный усилителя руля | |
2 | 6***1 | Шкив насоса усилителя руля | |
3 | 7***4 | Насос усилителя руля | |
4 | 7***7 | Кронштейн насоса усилителя | |
5 | 7***5 | Шланг соединительный | |
6 | 1***9 | Бачок масляный усилителя руля | |
8 | 7***3 | Шланг подводящий | |
8 | 7***6 | Шланг отводящий | |
10 | 4***9 | Тяга поперечная прав. | |
10 | 4***9 | Тяга поперечная лев. |
Содержащиеся в справочниках-каталогах запасные части и детали не предлагаются к продаже, а носят исключительно информационный характер. В демо-версии артикулы (номера деталей) скрыты. Если вы хотите видеть полные оригинальные номера запчастей, вам необходимо зарегистрироваться на нашем сайте и приобрести подписку по интересующей вас конфигурации, после этого вы сможете встроить онлайн-каталоги на ваш сайт или пользоваться ими из личного кабинета нашего сайта. Обращаем ваше внимание на то, что каталоги содержат информацию об оригинальных заводских номерах и названиях запчастей. База по аналогам в данный момент не реализована. Поиска по VIN-номерам в онлайн-каталоге не предусмотрено. Выбор конкретного каталога осуществляется путем открытия нужного типа техники, марки, модели с учетом года выпуска или модификации.