Каталог запасных частей к технике: Ford Fiesta Courier (2012). Система охлаждения

2
3
8
10
10
4
5
7
9
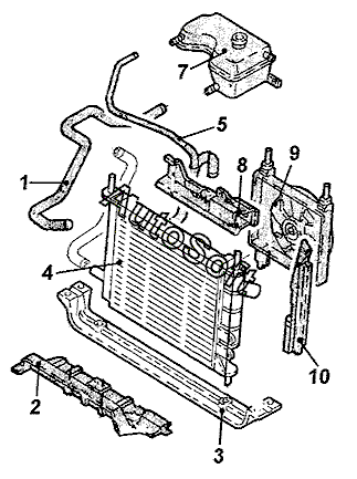
Позиция на иллюстрации | Заводской номер детали | Название детали | |
---|---|---|---|
2 | 1***3 | Воздуховод нижн. | |
3 | 1***3 | Опора радиатора | |
4 | 1***3 | Радиатор | |
5 | 1***7 | Шланг радиатора нижн. | |
7 | 1***8 | Бачок расширительный | |
8 | 1***4 | Воздуховод верхн. | |
9 | 1***4 | Вентилятор с двигателем | |
10 | 1***4 | Воздуховод прав. | |
10 | 1***5 | Воздуховод лев. |
Содержащиеся в справочниках-каталогах запасные части и детали не предлагаются к продаже, а носят исключительно информационный характер. В демо-версии артикулы (номера деталей) скрыты. Если вы хотите видеть полные оригинальные номера запчастей, вам необходимо зарегистрироваться на нашем сайте и приобрести подписку по интересующей вас конфигурации, после этого вы сможете встроить онлайн-каталоги на ваш сайт или пользоваться ими из личного кабинета нашего сайта. Обращаем ваше внимание на то, что каталоги содержат информацию об оригинальных заводских номерах и названиях запчастей. База по аналогам в данный момент не реализована. Поиска по VIN-номерам в онлайн-каталоге не предусмотрено. Выбор конкретного каталога осуществляется путем открытия нужного типа техники, марки, модели с учетом года выпуска или модификации.