Каталог запасных частей к технике: Ford Escort Turnier Flair (2012). ABS

5
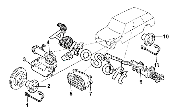
1
1
2
2
3
5
7
8
9
10
10
11
11
4
4
Позиция на иллюстрации | Заводской номер детали | Название детали | |
---|---|---|---|
1 | 1***5 | Датчик ABS передн. лев. | |
1 | 1***5 | Датчик ABS передн. прав. | |
2 | 6***1 | Диск импульсного датчика передн. прав. | |
2 | 6***1 | Диск импульсного датчика передн. лев. | |
3 | 6***8 | Кронштейн гидроблока ABS | |
4 | 1***2 | Модулятор ABS (восстановл.) | |
4 | 6***2 | Гидроблок ABS | |
5 | 1***2 | Блок управления ABS восстановл. | |
5 | 1***2 | Блок управления ABS | |
7 | 1***3 | Кронштейн блока управления | |
8 | 6***6 | Рычаг тормозного крана лев. | |
9 | 6***3 | Кран тормозной задн. | |
10 | 7***3 | Диск импульсного датчика задн. прав. | |
10 | 7***3 | Диск импульсного датчика задн. лев. | |
11 | н***я | Датчик ABS задн. прав. | |
11 | н***я | Датчик ABS задн. лев. |
Содержащиеся в справочниках-каталогах запасные части и детали не предлагаются к продаже, а носят исключительно информационный характер. В демо-версии артикулы (номера деталей) скрыты. Если вы хотите видеть полные оригинальные номера запчастей, вам необходимо зарегистрироваться на нашем сайте и приобрести подписку по интересующей вас конфигурации, после этого вы сможете встроить онлайн-каталоги на ваш сайт или пользоваться ими из личного кабинета нашего сайта. Обращаем ваше внимание на то, что каталоги содержат информацию об оригинальных заводских номерах и названиях запчастей. База по аналогам в данный момент не реализована. Поиска по VIN-номерам в онлайн-каталоге не предусмотрено. Выбор конкретного каталога осуществляется путем открытия нужного типа техники, марки, модели с учетом года выпуска или модификации.