Каталог запасных частей к технике: Ford Orion 16V CL (2012). Балка заднего моста/Задняя подвеска и колеса

23
16
17
17
18
18
19
20
20
21
21
16
23
24
24
25
25
15
15
22
22
8
2
3
4
5
5
6
6
7
7
8
1
9
9
10
11
11
12
12
14
14
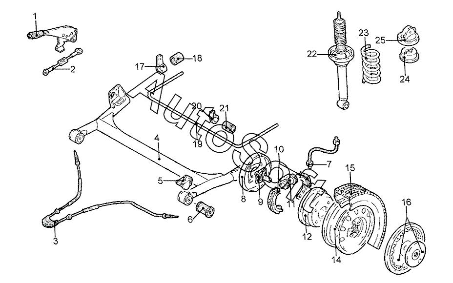
Позиция на иллюстрации | Заводской номер детали | Название детали | |
---|---|---|---|
1 | 7***7 | Рычаг ручного тормоза | |
2 | 6***6 | Трос привода ручного тормоза передн. | |
3 | 6***8 | Трос привода ручного тормоза | |
4 | 6***7 | Балка задн. моста | |
5 | 6***4 | Кронштейн задн. моста прав. | |
5 | 6***4 | Кронштейн задн. моста лев. | |
6 | 6***0 | Опора задн. моста прав. | |
6 | 6***0 | Опора задн. моста лев. | |
7 | 7***5 | Шланг тормозной задн. прав. | |
7 | 7***5 | Шланг тормозной задн. лев. | |
8 | 6***4 | Щит задн. тормоза прав. | |
8 | 6***7 | Щит задн. тормоза лев. | |
9 | 6***2 | Кулак поворотный задн. прав. | |
9 | 6***3 | Кулак поворотный задн. лев. | |
10 | 6***4 | К-кт задн. тормозных колодок | |
11 | 6***2 | Цилиндр тормозной задн. прав. | |
11 | 6***2 | Цилиндр тормозной задн. лев. | |
12 | 6***1 | Барабан тормозной задн. прав. | |
12 | 6***1 | Барабан тормозной задн. лев. | |
14 | 6***2 | Диск задн. прав. колеса | |
14 | 6***2 | Диск задн. лев. колеса | |
15 | 1***H | Шина задн. прав. | |
15 | 1***H | Шина задн. лев. | |
16 | 6***8 | Колпак задн. прав. колеса полноразмерный | |
16 | 6***8 | Колпак задн. лев. колеса полноразмерный | |
17 | 6***9 | Кронштейн задн. прав. | |
17 | 6***9 | Кронштейн задн. лев. | |
18 | 6***3 | Опора задн. стабилизатора прав. | |
18 | 6***3 | Опора задн. стабилизатора лев. | |
19 | 6***8 | Стабилизатор задн. | |
20 | 6***9 | Кронштейн прав. внутр. | |
20 | 6***9 | Кронштейн лев. внутр. | |
21 | 6***3 | Опора задн. прав. | |
21 | 6***3 | Опора задн. лев. | |
22 | 1***1 | Амортизатор задн. прав. | |
22 | 1***1 | Амортизатор задн. лев. | |
23 | 6***6 | Пружина витая задн. прав. | |
23 | 6***6 | Пружина витая задн. лев. | |
24 | 7***9 | Опора пружины задн. прав. | |
24 | 7***9 | Опора пружины задн. лев. | |
25 | 6***8 | Тарелка пружины задн. прав. | |
25 | 6***8 | Тарелка пружины задн. лев. |
Содержащиеся в справочниках-каталогах запасные части и детали не предлагаются к продаже, а носят исключительно информационный характер. В демо-версии артикулы (номера деталей) скрыты. Если вы хотите видеть полные оригинальные номера запчастей, вам необходимо зарегистрироваться на нашем сайте и приобрести подписку по интересующей вас конфигурации, после этого вы сможете встроить онлайн-каталоги на ваш сайт или пользоваться ими из личного кабинета нашего сайта. Обращаем ваше внимание на то, что каталоги содержат информацию об оригинальных заводских номерах и названиях запчастей. База по аналогам в данный момент не реализована. Поиска по VIN-номерам в онлайн-каталоге не предусмотрено. Выбор конкретного каталога осуществляется путем открытия нужного типа техники, марки, модели с учетом года выпуска или модификации.