Каталог запасных частей к технике: Ford Mondeo Turnier TD Futura (2012). Передняя подвеска

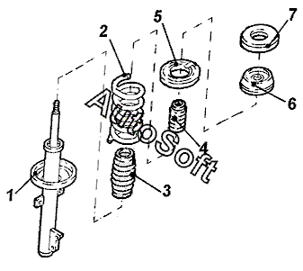
1
1
2
2
3
3
4
4
5
5
6
6
7
7
Позиция на иллюстрации | Заводской номер детали | Название детали | |
---|---|---|---|
1 | 1***1 | Стойка передн. амортизатора прав. | |
1 | 1***1 | Стойка амортизатора лев. | |
2 | 1***8 | Пружина передн. прав. | |
2 | 1***8 | Пружина передн. лев. | |
3 | 1***7 | Манжета передн. прав. | |
3 | 1***7 | Манжета передн. лев. | |
4 | 1***8 | Буфер прав. | |
4 | 1***8 | Буфер лев. | |
5 | 1***3 | Кольцо амортизатора прав. | |
5 | 1***3 | Кольцо амортизатора лев. | |
6 | 6***5 | Опора стойки прав. | |
6 | 6***5 | Опора лев. | |
7 | 6***1 | Кольцо стопорное прав. | |
7 | 6***1 | Кольцо стопорное лев. |
Содержащиеся в справочниках-каталогах запасные части и детали не предлагаются к продаже, а носят исключительно информационный характер. В демо-версии артикулы (номера деталей) скрыты. Если вы хотите видеть полные оригинальные номера запчастей, вам необходимо зарегистрироваться на нашем сайте и приобрести подписку по интересующей вас конфигурации, после этого вы сможете встроить онлайн-каталоги на ваш сайт или пользоваться ими из личного кабинета нашего сайта. Обращаем ваше внимание на то, что каталоги содержат информацию об оригинальных заводских номерах и названиях запчастей. База по аналогам в данный момент не реализована. Поиска по VIN-номерам в онлайн-каталоге не предусмотрено. Выбор конкретного каталога осуществляется путем открытия нужного типа техники, марки, модели с учетом года выпуска или модификации.