Каталог запасных частей к технике: Ford Scorpio Topas (2012). Система охлаждения турбодизельного двигателя

7
13
12
12
11
10
9
8
7
1
6
5
5
4
4
2
2
1
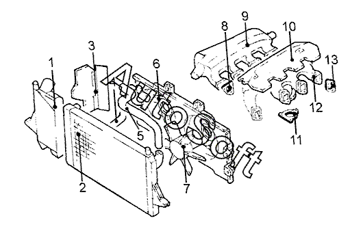
Позиция на иллюстрации | Заводской номер детали | Название детали | |
---|---|---|---|
1 | 1***8 | Охладитель наддувочного воздуха | |
1 | 1***6 | Охладитель наддувочного воздуха (восстановл.) | |
2 | 6***5 | Радиатор | |
2 | 6***0 | Радиатор восстановл. | |
4 | 1***6 | Шланг воздушный прав. нижн. | |
4 | 7***1 | Шланг радиатора нижн. | |
5 | 1***7 | Шланг воздушный прав. верхн. | |
5 | 7***9 | Шланг радиатора лев. верхн. | |
6 | 7***4 | Кожух вентилятора | |
7 | 6***2 | Крыльчатка вентилятора | |
7 | 7***2 | Крыльчатка вентилятора прав. | |
8 | 7***9 | Прокладка впускного коллектора | |
9 | 7***5 | Коллектор впускной | |
10 | 7***7 | Обтекатель | |
11 | 7***9 | Прокладка турбокомпрессора | |
12 | 7***6 | Коллектор выпускной передн. | |
12 | 7***6 | Коллектор выпускной задн. | |
13 | 7***8 | Прокладка выпускного коллектора |
Содержащиеся в справочниках-каталогах запасные части и детали не предлагаются к продаже, а носят исключительно информационный характер. В демо-версии артикулы (номера деталей) скрыты. Если вы хотите видеть полные оригинальные номера запчастей, вам необходимо зарегистрироваться на нашем сайте и приобрести подписку по интересующей вас конфигурации, после этого вы сможете встроить онлайн-каталоги на ваш сайт или пользоваться ими из личного кабинета нашего сайта. Обращаем ваше внимание на то, что каталоги содержат информацию об оригинальных заводских номерах и названиях запчастей. База по аналогам в данный момент не реализована. Поиска по VIN-номерам в онлайн-каталоге не предусмотрено. Выбор конкретного каталога осуществляется путем открытия нужного типа техники, марки, модели с учетом года выпуска или модификации.