Каталог запасных частей к технике: Ford FT 100 GL D (2012). Кузов: основание, боковина, арки колес

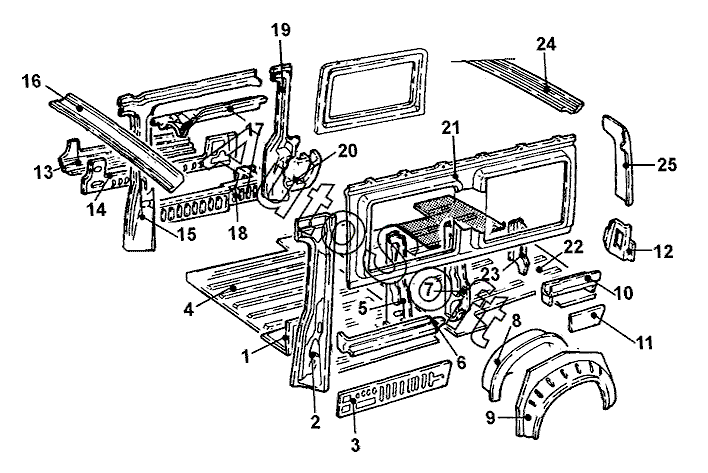
10
24
25
25
15
1
4
8
8
9
9
23
10
13
13
14
21
22
23
14
21
12
2
3
3
5
6
7
7
11
11
12
1
16
17
17
18
18
19
19
20
20
Позиция на иллюстрации | Заводской номер детали | Название детали | |
---|---|---|---|
1 | 1***9 | Косынка средн. прав. стойки | |
1 | 1***2 | Косынка средн. лев. стойки | |
2 | 6***6 | Усилитель средн. лев. стойки | |
3 | 7***9 | Усилитель порога прав. внутр. | |
3 | 7***1 | Усилитель порога лев. внутр. | |
4 | 1***2 | Основание средн. | |
5 | 1***0 | Усилитель распорки передн. лев. | |
6 | 1***9 | Щиток лев. порога | |
7 | 1***4 | Усилитель распорки средн. прав. | |
7 | 1***5 | Усилитель распорки средн. лев. | |
8 | 6***9 | Арка задн. колеса прав. внутр. | |
8 | 6***9 | Арка задн. колеса лев. внутр. | |
9 | 1***1 | Арка задн. колеса прав. наружн. | |
9 | 1***3 | Арка задн. колеса лев. наружн. | |
10 | 6***6 | Надставка задн. прав. порога | |
10 | 6***7 | Надставка задн. лев. порога | |
11 | 6***0 | Накладка боков. задн. прав. | |
11 | 6***2 | Накладка боков. задн. лев. | |
12 | 6***2 | Усилитель прав. угловой накладки нижн. | |
12 | 6***3 | Усилитель лев. угловой накладки нижн. | |
13 | 1***7 | Порог прав. | |
13 | 1***9 | Порог лев. | |
14 | 7***9 | Усилитель порога прав. нижн. | |
14 | 7***1 | Усилитель лев. порога нижн. | |
15 | 1***0 | Усилитель средн. прав. стойки | |
16 | 1***0 | Рама крыши, передн. часть | |
17 | 7***5 | Направляющая боковины прав. верхн. | |
17 | 7***7 | Направляющая боковины лев. верхн. | |
18 | 6***4 | Порог прав. | |
18 | 6***5 | Порог лев. | |
19 | 1***2 | Стойка задн. прав. | |
19 | 1***3 | Стойка задн. лев. | |
20 | 1***3 | Надставка порога задн. прав. | |
20 | 1***4 | Надставка порога задн. лев. | |
21 | 1***6 | Боковина прав. внутр. часть | |
21 | 7***6 | Боковина лев. внутр. часть | |
22 | 1***5 | Основание задн. | |
23 | 1***0 | Усилитель распорки арки колеса лев. | |
23 | 1***8 | Усилитель распорки арки колеса прав. | |
24 | 7***6 | Рама крыши, задн. часть | |
25 | 1***3 | Усилитель лев. угловой накладки верхн. | |
25 | 1***6 | Усилитель прав. угловой накладки верхн. |
Содержащиеся в справочниках-каталогах запасные части и детали не предлагаются к продаже, а носят исключительно информационный характер. В демо-версии артикулы (номера деталей) скрыты. Если вы хотите видеть полные оригинальные номера запчастей, вам необходимо зарегистрироваться на нашем сайте и приобрести подписку по интересующей вас конфигурации, после этого вы сможете встроить онлайн-каталоги на ваш сайт или пользоваться ими из личного кабинета нашего сайта. Обращаем ваше внимание на то, что каталоги содержат информацию об оригинальных заводских номерах и названиях запчастей. База по аналогам в данный момент не реализована. Поиска по VIN-номерам в онлайн-каталоге не предусмотрено. Выбор конкретного каталога осуществляется путем открытия нужного типа техники, марки, модели с учетом года выпуска или модификации.