Каталог запасных частей к технике: Ford FT 100 L TDE (TD) Express Line M1 (2012). Детали турбодизельного двигателя (2.5л)

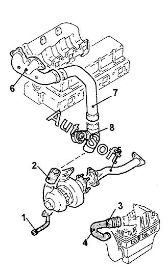
1
2
3
4
5
6
7
8
Позиция на иллюстрации | Заводской номер детали | Название детали | |
---|---|---|---|
1 | 7***6 | Трубопровод масляный | |
2 | 6***0 | Шланг впускного коллектора | |
3 | 1***6 | Турбокомпрессор | |
4 | 7***0 | Патрубок впускной воздушный | |
5 | 6***5 | Коллектор выпускной | |
6 | 7***5 | Патрубок впускной | |
7 | 7***9 | Воздуховод | |
8 | 1***3 | Заслонка дроссельная |
Содержащиеся в справочниках-каталогах запасные части и детали не предлагаются к продаже, а носят исключительно информационный характер. В демо-версии артикулы (номера деталей) скрыты. Если вы хотите видеть полные оригинальные номера запчастей, вам необходимо зарегистрироваться на нашем сайте и приобрести подписку по интересующей вас конфигурации, после этого вы сможете встроить онлайн-каталоги на ваш сайт или пользоваться ими из личного кабинета нашего сайта. Обращаем ваше внимание на то, что каталоги содержат информацию об оригинальных заводских номерах и названиях запчастей. База по аналогам в данный момент не реализована. Поиска по VIN-номерам в онлайн-каталоге не предусмотрено. Выбор конкретного каталога осуществляется путем открытия нужного типа техники, марки, модели с учетом года выпуска или модификации.