Каталог запасных частей к технике: Opel Corsa 1.7 DTI 16V Fresh (2012). Двигатель/ Система охлаждения 5

32
22
23
24
25
26
27
28
29
30
31
21
33
34
35
36
37
38
39
40
41
11
2
3
4
5
6
7
8
9
10
1
12
13
14
15
16
17
18
19
20
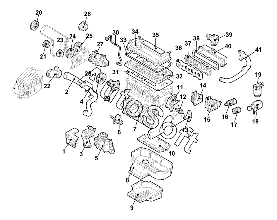
Позиция на иллюстрации | Заводской номер детали | Название детали | |
---|---|---|---|
1 | 5***1 | Щиток защитный турбокомпрессора | |
2 | 5***3 | Шланг росходомера воздуха | |
3 | 0***8 | Патрубок турбокомпрессора | |
4 | 5***0 | Труба впускная турбокомпрессора | |
5 | 0***6 | Турбокомпрессор | |
6 | 6***7 | Датчик указателя уровня масла | |
7 | 0***1 | Картер | |
8 | 0***5 | Поддон масляный, верхн. часть | |
9 | 0***7 | Поддон масляный, нижн. часть | |
10 | 0***7 | Маслосборник | |
11 | 1***7 | Корпус термостата | |
12 | 1***5 | Термостат | |
13 | 1***1 | Крышка корпуса термостата | |
14 | 0***6 | Фильтр масляный радиатора | |
15 | 0***6 | Корпус регулятора температуры и фильтра | |
16 | 5***0 | Крышка масляного фильтра | |
17 | 0***0 | Элемент фильтрующий масляного фильтра | |
18 | 0***5 | Кронштейн угольного фильтра | |
19 | 0***6 | Фильтр топливный | |
20 | 5***9 | Шестерня распределительного вала | |
21 | 5***4 | Ролик направляющий зубчатого ремня передн. | |
22 | 0***2 | Расходомер воздуха | |
23 | 0***9 | Шестерня коленчатого вала | |
24 | 0***6 | Шестерня масляного насоса | |
25 | 0***1 | Шестерня насоса высокого давления | |
26 | 5***5 | Ролик направляющий зубчатого ремня задн. | |
27 | 5***7 | Насос высокого давления | |
28 | 1***1 | Шкив водяного насоса | |
29 | 6***8 | Насос водяной | |
30 | -***- | Магистраль топливная основная | |
31 | 0***8 | Уплотнитель картера распределительного вала | |
32 | 0***1 | Картер распределительного вала | |
33 | 0***2 | Прокладка крышки головки блока цилиндров | |
34 | 0***9 | Крышка головки блока цилиндров | |
35 | 0***8 | Облицовка двигателя | |
36 | 5***2 | Прокладка впускного коллектора нижн. | |
37 | 0***9 | Коллектор впускной, нижн. часть | |
38 | 5***1 | Прокладка впускного коллектора верхн. | |
39 | 5***9 | Клапан EGR | |
40 | 0***8 | Коллектор впускной, верхн. часть | |
41 | 5***9 | Труба нагнетательная |
Содержащиеся в справочниках-каталогах запасные части и детали не предлагаются к продаже, а носят исключительно информационный характер. В демо-версии артикулы (номера деталей) скрыты. Если вы хотите видеть полные оригинальные номера запчастей, вам необходимо зарегистрироваться на нашем сайте и приобрести подписку по интересующей вас конфигурации, после этого вы сможете встроить онлайн-каталоги на ваш сайт или пользоваться ими из личного кабинета нашего сайта. Обращаем ваше внимание на то, что каталоги содержат информацию об оригинальных заводских номерах и названиях запчастей. База по аналогам в данный момент не реализована. Поиска по VIN-номерам в онлайн-каталоге не предусмотрено. Выбор конкретного каталога осуществляется путем открытия нужного типа техники, марки, модели с учетом года выпуска или модификации.