Каталог запасных частей к технике: Opel Kadett E Cabrio Edition (2012). Гидроусилитель руля

6
6
10
11
12
1
2
3
4
5
8
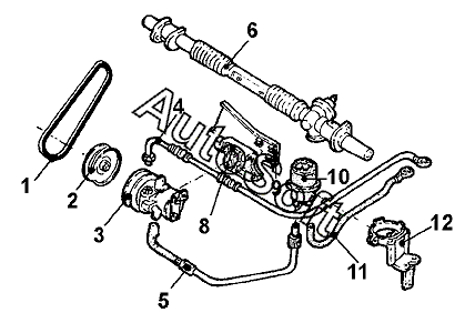
Позиция на иллюстрации | Заводской номер детали | Название детали | |
---|---|---|---|
1 | 1***4 | Ремень клиновой насоса усилителя руля | |
2 | 0***9 | Шкив насоса усилителя руля | |
3 | 0***2 | Насос усилителя руля | |
4 | 0***4 | Шланг соединительный | |
5 | 0***2 | Трубопровод впускной | |
6 | 0***8 | Механизм рулевой восстановл. | |
6 | 0***6 | Механизм рулевой | |
8 | 0***4 | Кронштейн насоса усилителя | |
10 | 0***7 | Бачок масляный | |
11 | 0***5 | Шланг соединительный | |
12 | 0***8 | Кронштейн масляного бачка |
Содержащиеся в справочниках-каталогах запасные части и детали не предлагаются к продаже, а носят исключительно информационный характер. В демо-версии артикулы (номера деталей) скрыты. Если вы хотите видеть полные оригинальные номера запчастей, вам необходимо зарегистрироваться на нашем сайте и приобрести подписку по интересующей вас конфигурации, после этого вы сможете встроить онлайн-каталоги на ваш сайт или пользоваться ими из личного кабинета нашего сайта. Обращаем ваше внимание на то, что каталоги содержат информацию об оригинальных заводских номерах и названиях запчастей. База по аналогам в данный момент не реализована. Поиска по VIN-номерам в онлайн-каталоге не предусмотрено. Выбор конкретного каталога осуществляется путем открытия нужного типа техники, марки, модели с учетом года выпуска или модификации.