Каталог запасных частей к технике: Opel Astra 2.0 16V Turbo Coupe (2012). Воздушный фильтр

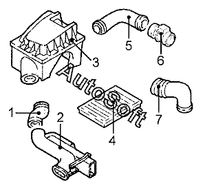
1
3
4
2
5
6
7
Позиция на иллюстрации | Заводской номер детали | Название детали | |
---|---|---|---|
1 | 5***8 | Шланг воздухозаборника воздушного фильтра | |
2 | 5***4 | Труба впускная воздушного фильтра | |
3 | 5***6 | Фильтр воздушный | |
4 | 0***2 | Элемент фильтрующий | |
5 | 5***6 | Колено шланга воздушного фильтра | |
6 | 0***8 | Расходомер воздуха | |
7 | 5***7 | Шланг росходомера воздуха |
Содержащиеся в справочниках-каталогах запасные части и детали не предлагаются к продаже, а носят исключительно информационный характер. В демо-версии артикулы (номера деталей) скрыты. Если вы хотите видеть полные оригинальные номера запчастей, вам необходимо зарегистрироваться на нашем сайте и приобрести подписку по интересующей вас конфигурации, после этого вы сможете встроить онлайн-каталоги на ваш сайт или пользоваться ими из личного кабинета нашего сайта. Обращаем ваше внимание на то, что каталоги содержат информацию об оригинальных заводских номерах и названиях запчастей. База по аналогам в данный момент не реализована. Поиска по VIN-номерам в онлайн-каталоге не предусмотрено. Выбор конкретного каталога осуществляется путем открытия нужного типа техники, марки, модели с учетом года выпуска или модификации.